LEMON Manuals: Even more car manuals for everyone: 1960-2025
Home >> Cadillac >> 2019 >> CT6 V >> Repair and Diagnosis >> Body & Frame >> Body, Cab Control Systems >> Vehicle Access System >> Schematic Wiring Diagrams >> Liftgate Wiring Schematics >> Module Power, Ground, Serial Data, and Liftgate Motor
April 5, 2026: LEMON Manuals is launched! Read the announcement.

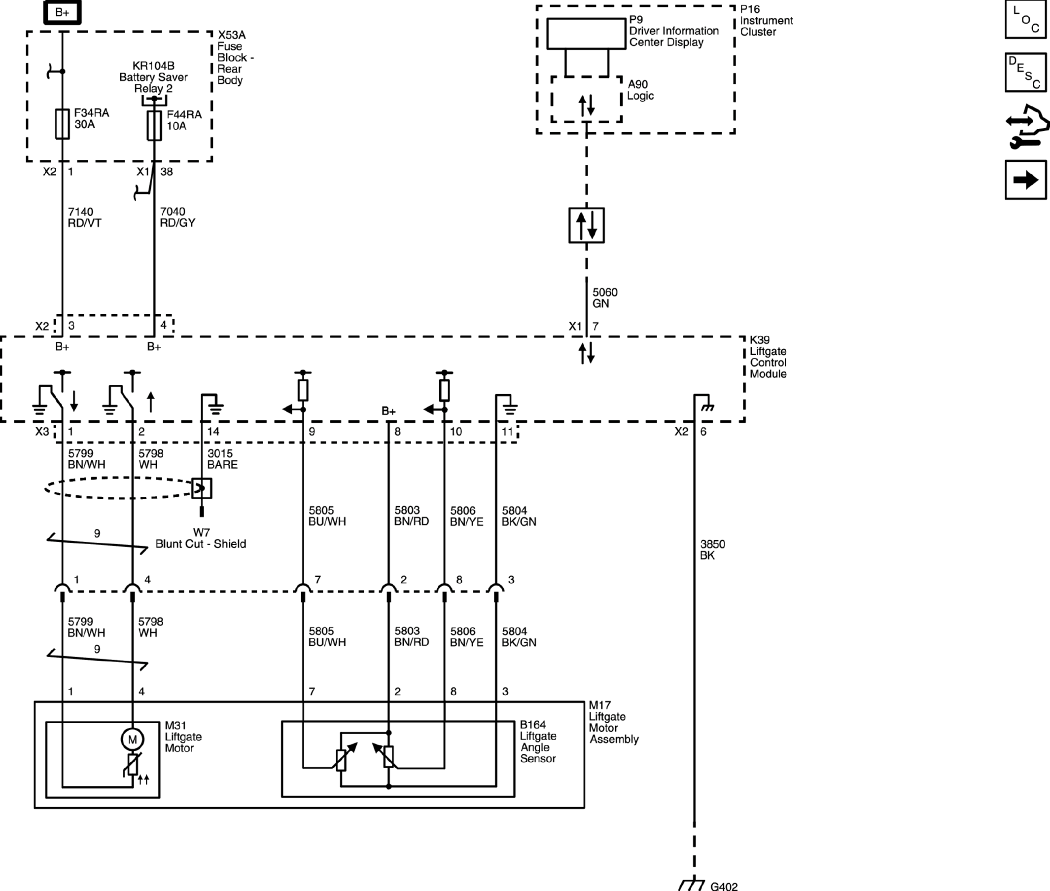
Module Power, Ground, Serial Data, and Liftgate Motor

GM5026486Courtesy of GENERAL MOTORS COMPANY