LEMON Manuals: Even more car manuals for everyone: 1960-2025
Home >> Cadillac >> 2019 >> CTS Base, AWD >> Repair and Diagnosis >> External Pages >> Different car >> Section 130 (Image Display Camera System) >> Schematic Wiring Diagrams >> Image Display Camera Wiring Schematics >> Performance Data Recorder (UQT)
April 5, 2026: LEMON Manuals is launched! Read the announcement.

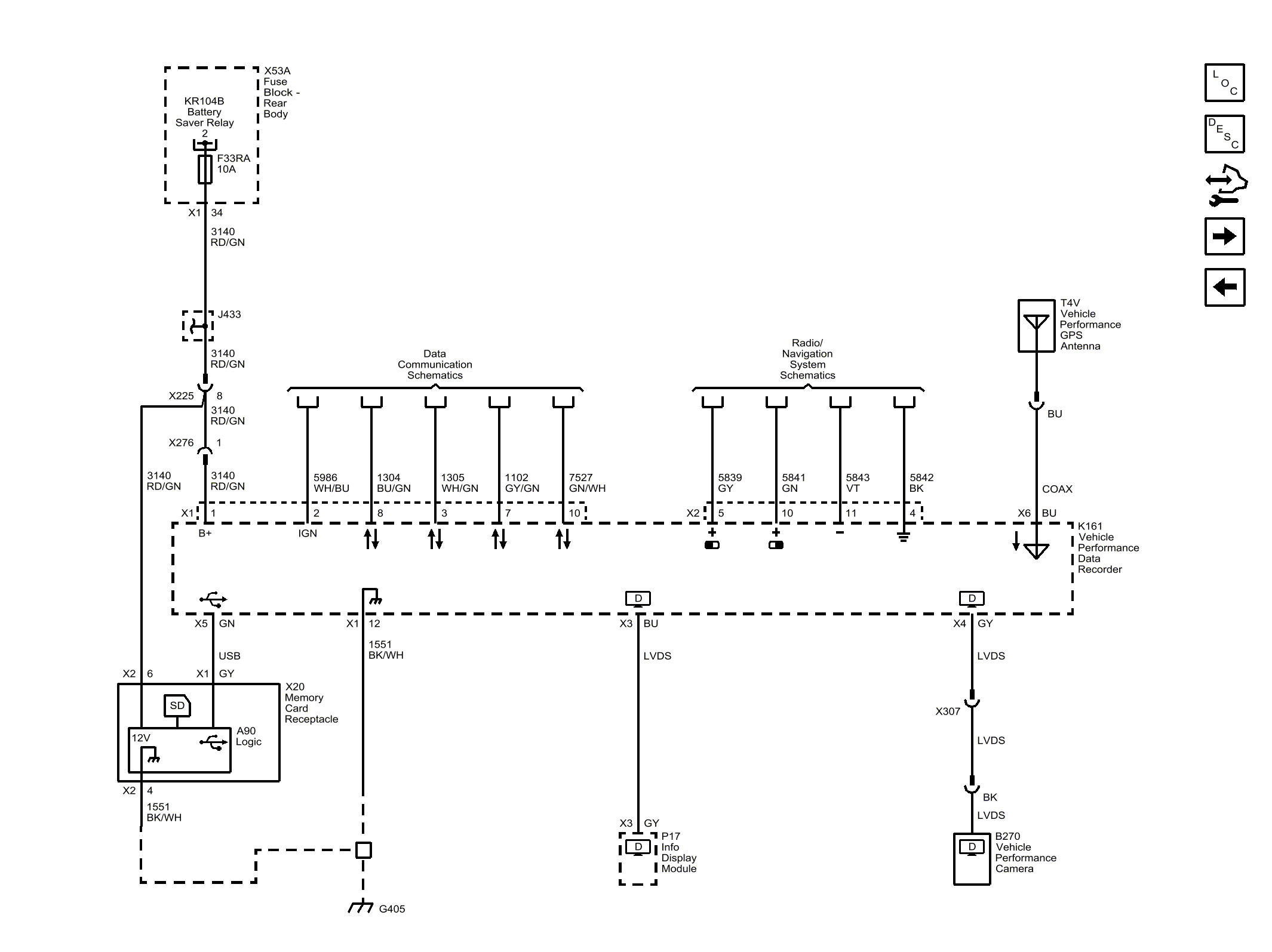
Performance Data Recorder (UQT)

WARNING: This page is about a different car, the 2018 Cadillac CTS. However, it is still accessible from the selected car via links, so may be relevant.
GM4694043Courtesy of GENERAL MOTORS COMPANY