LEMON Manuals: Even more car manuals for everyone: 1960-2025
Home >> Cadillac >> 2019 >> CTS Base, AWD >> Repair and Diagnosis >> External Pages >> Different car >> Section 93 (Cellular System, Entertainment System, And Navigation System - Schematic Wiring Diagrams) >> Schematic Wiring Diagrams >> Radio/Navigation System Wiring Schematics (IO6) >> Auxiliary Inputs
April 5, 2026: LEMON Manuals is launched! Read the announcement.

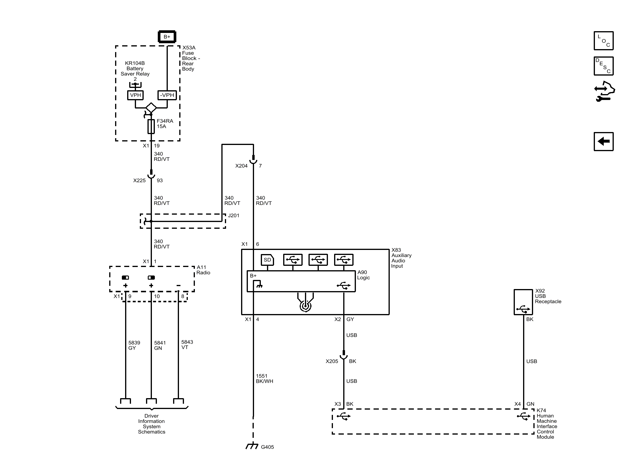
Auxiliary Inputs

WARNING: This page is about a different car, the 2018 Cadillac CTS. However, it is still accessible from the selected car via links, so may be relevant.
GM4693961Courtesy of GENERAL MOTORS COMPANY