LEMON Manuals: Even more car manuals for everyone: 1960-2025
Home >> Cadillac >> 2019 >> Escalade Base, 4WD >> Repair and Diagnosis (Single Page) >> Accessories & Equipment >> Entertainment Systems >> Cellular System, Entertainment System, And Navigation System - Schematic Wiring Diagrams >> Schematic Wiring Diagrams >> Radio/Navigation System Wiring Schematics >> Human Machine Interface, Display, Cellular Microphone, Power, Ground and Serial Data
April 5, 2026: LEMON Manuals is launched! Read the announcement.

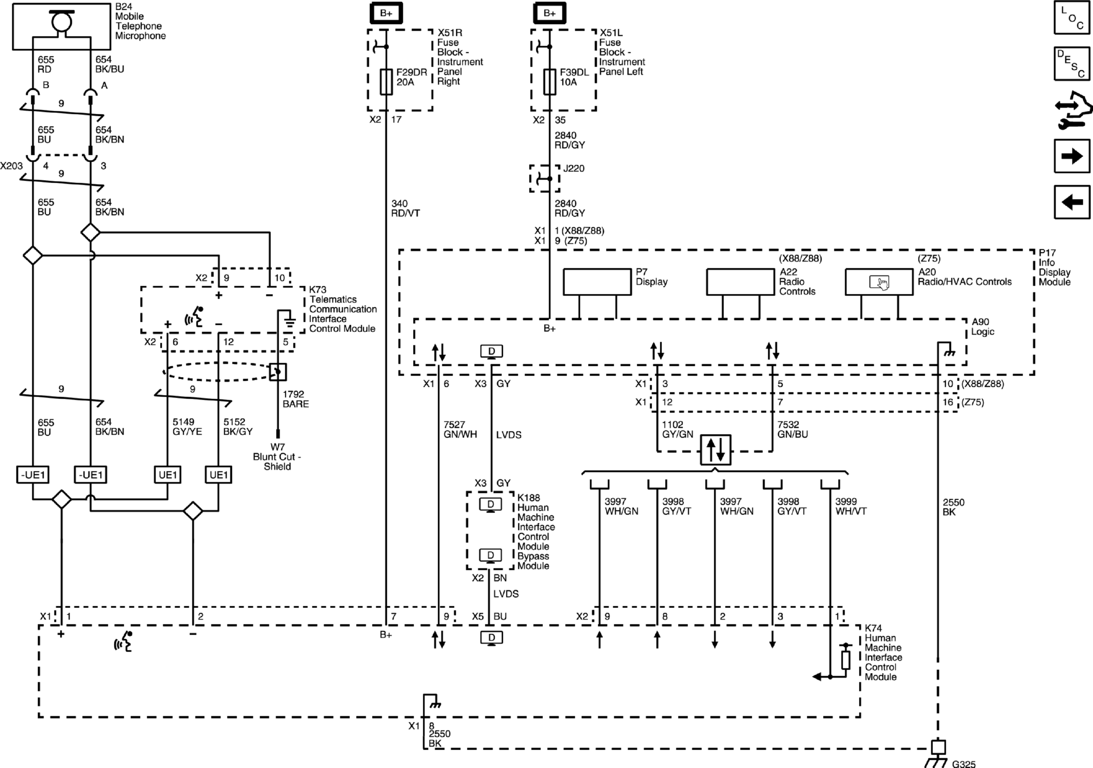
Human Machine Interface, Display, Cellular Microphone, Power, Ground and Serial Data

GM4939002Courtesy of GENERAL MOTORS COMPANY