LEMON Manuals: Even more car manuals for everyone: 1960-2025
Home >> Cadillac >> 2019 >> Escalade Base, 4WD >> Repair and Diagnosis (Single Page) >> Suspension >> Electronic Suspension >> Automatic Level Control System >> Schematic Wiring Diagrams >> Automatic Level Control Wiring Schematics >> Automatic Level Control (Z95)
April 5, 2026: LEMON Manuals is launched! Read the announcement.

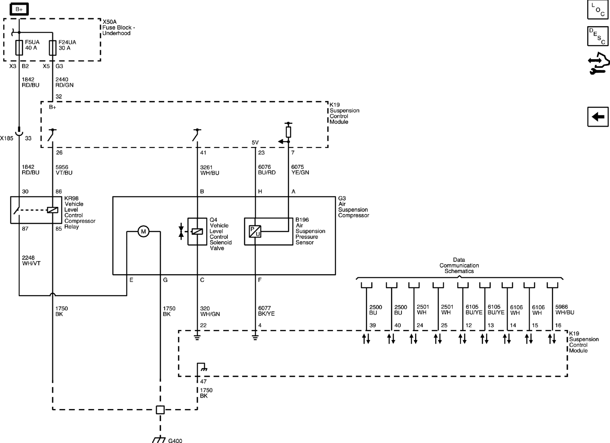
Automatic Level Control (Z95)

GM4937200Courtesy of GENERAL MOTORS COMPANY