LEMON Manuals: Even more car manuals for everyone: 1960-2025
Home >> Cadillac >> 2019 >> Escalade Base, 4WD >> Repair and Diagnosis >> External Pages >> Different car >> Section 98 (Cellular System, Entertainment System, And Navigation System) >> Schematic Wiring Diagrams >> Radio/Navigation System Wiring Schematics >> Power, Ground, Serial Data, and Subsystem References
April 5, 2026: LEMON Manuals is launched! Read the announcement.

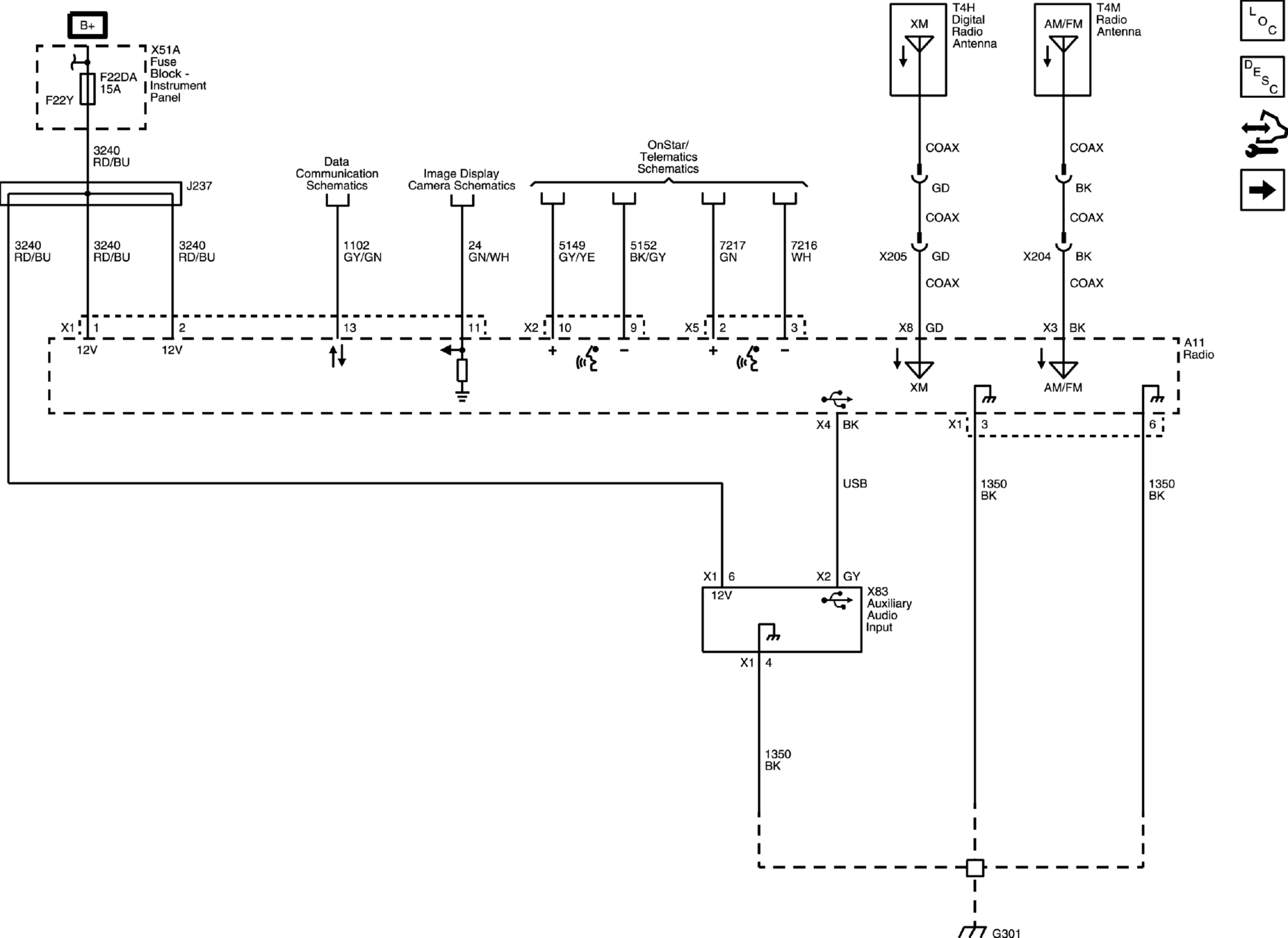
Power, Ground, Serial Data, and Subsystem References

WARNING: This page is about a different car, the 2018 Chevrolet Sonic. However, it is still accessible from the selected car via links, so may be relevant.
GM4710463Courtesy of GENERAL MOTORS COMPANY