LEMON Manuals: Even more car manuals for everyone: 1960-2025
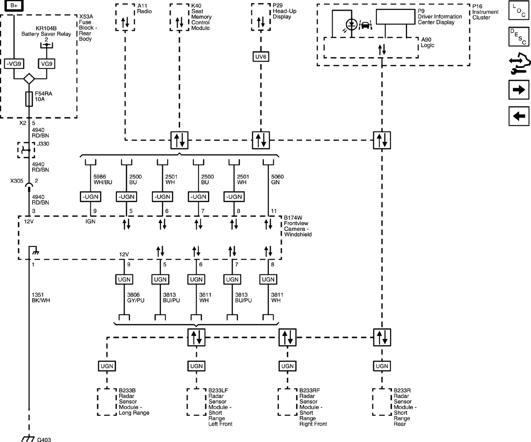
Home >> Cadillac >> 2019 >> XT5 Base, FWD >> Repair and Diagnosis (Single Page) >> Accessories & Equipment >> Drivers Assistance Systems - ADAS >> Driver Assistance Systems >> Schematic Wiring Diagrams >> Driver Assistance Systems Wiring Schematics >> Lane Keep Assist and Forward Collision - Module Power, Ground, and Serial Data (UEU)
April 5, 2026: LEMON Manuals is launched! Read the announcement.

Lane Keep Assist and Forward Collision - Module Power, Ground, and Serial Data (UEU)

GM4909867Courtesy of GENERAL MOTORS COMPANY