LEMON Manuals: Even more car manuals for everyone: 1960-2025
Home >> Cadillac >> 2019 >> XT5 Base, FWD >> Repair and Diagnosis >> Accessories & Equipment >> Entertainment Systems >> Cellular System, Entertainment System, And Navigation System >> Schematic Wiring Diagrams >> Radio/Navigation System Wiring Schematics >> Human Machine Interface and Display, Power, Ground, Serial Data and Microphone
April 5, 2026: LEMON Manuals is launched! Read the announcement.

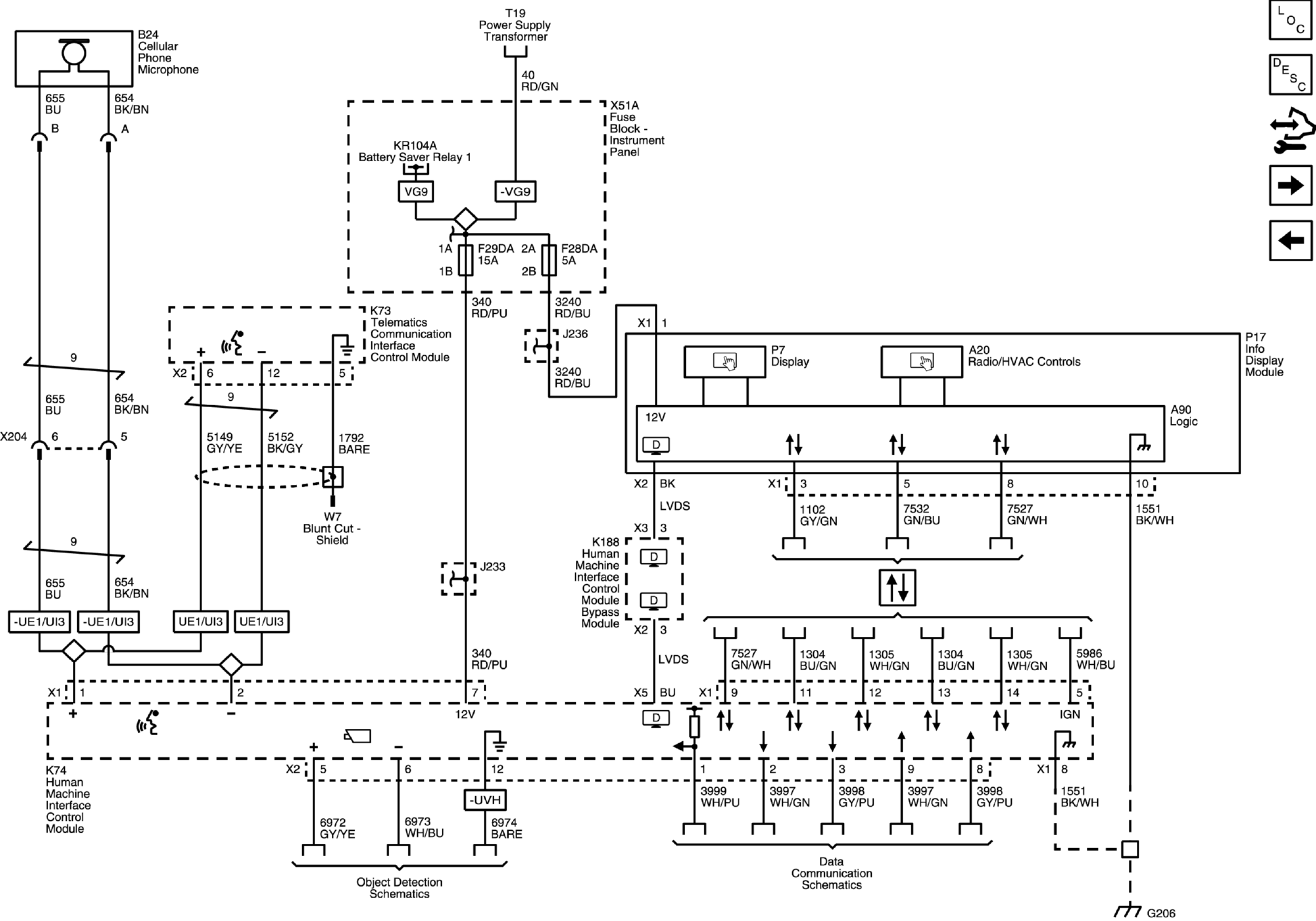
Human Machine Interface and Display, Power, Ground, Serial Data and Microphone

GM4909783Courtesy of GENERAL MOTORS COMPANY