LEMON Manuals: Even more car manuals for everyone: 1960-2025
Home >> Cadillac >> 2019 >> XT5 Base, FWD >> Repair and Diagnosis >> Body & Frame >> Door Locks >> Keyless Entry System And Remote Functions >> Schematic Wiring Diagrams >> Remote Function Wiring Schematics >> Keyless Entry - Passive and Keyless Start
April 5, 2026: LEMON Manuals is launched! Read the announcement.

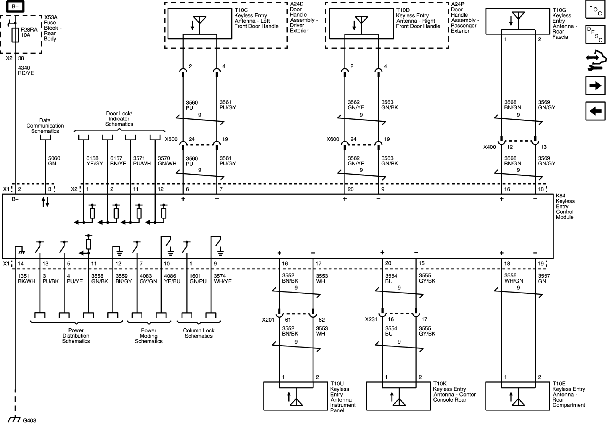
Keyless Entry - Passive and Keyless Start

GM4909821Courtesy of GENERAL MOTORS COMPANY