LEMON Manuals: Even more car manuals for everyone: 1960-2025
Home >> Cadillac >> 2019 >> XT5 Base, FWD >> Repair and Diagnosis >> External Pages >> Different car >> Section 43 (Cellular System, Entertainment System, And Navigation System) >> Schematic and Wiring Diagrams >> OnStar/Telematics Wiring Schematics >> Controls and Audio Signals (UE1/UI3)
April 5, 2026: LEMON Manuals is launched! Read the announcement.

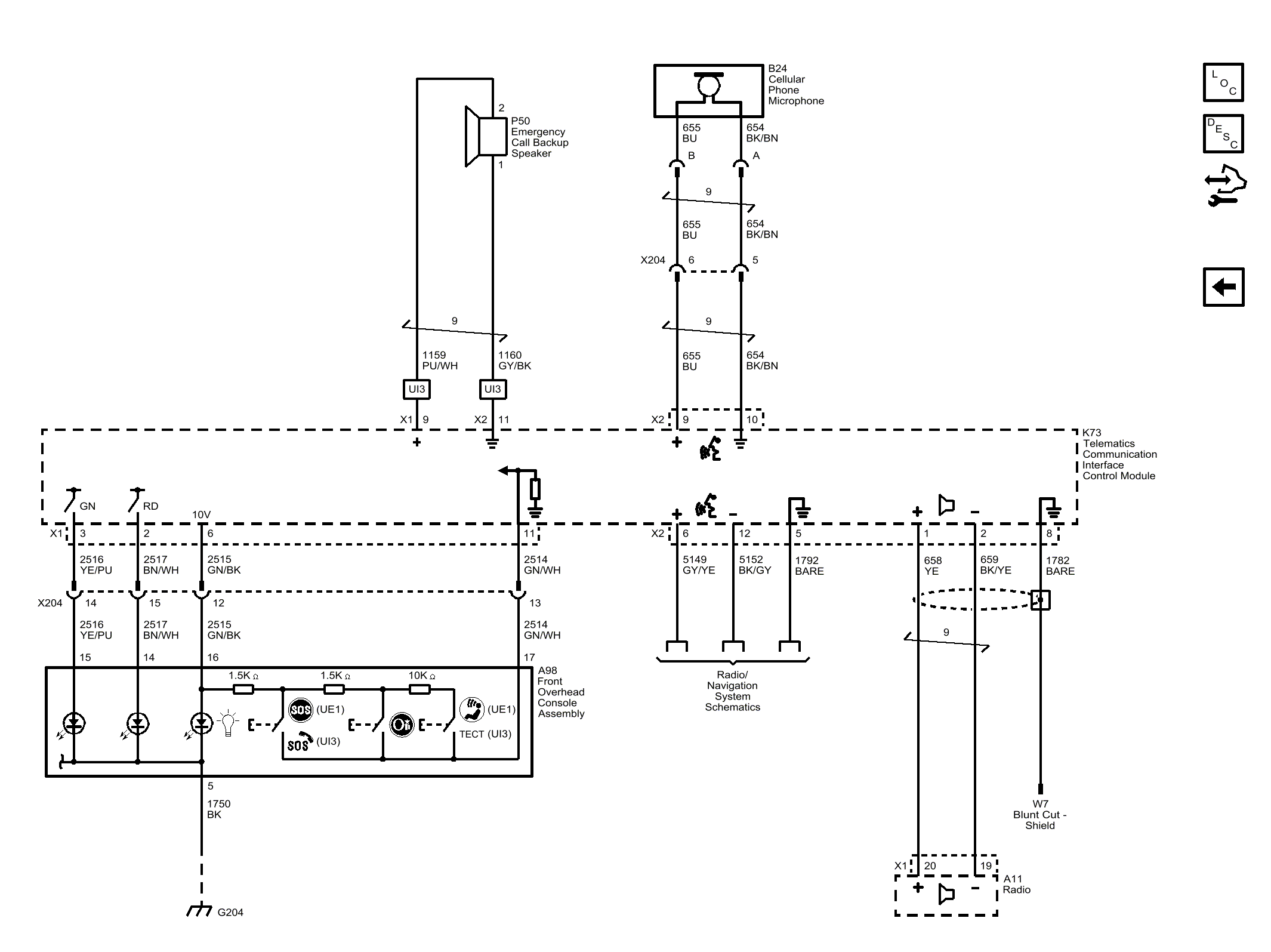
Controls and Audio Signals (UE1/UI3)

WARNING: This page is about a different car, the 2018 Cadillac XT5. However, it is still accessible from the selected car via links, so may be relevant.
GM4664301Courtesy of GENERAL MOTORS COMPANY