LEMON Manuals: Even more car manuals for everyone: 1960-2025
Home >> Cadillac >> 2019 >> XT5 Base, FWD >> Repair and Diagnosis >> External Pages >> Different car >> Section 87 (Image Display Camera System) >> Schematic Wiring Diagrams >> Image Display Camera Wiring Schematics >> 360 Degree Vision - Module Power, Ground, Serial Data, and Camera Signals (UVH)
April 5, 2026: LEMON Manuals is launched! Read the announcement.

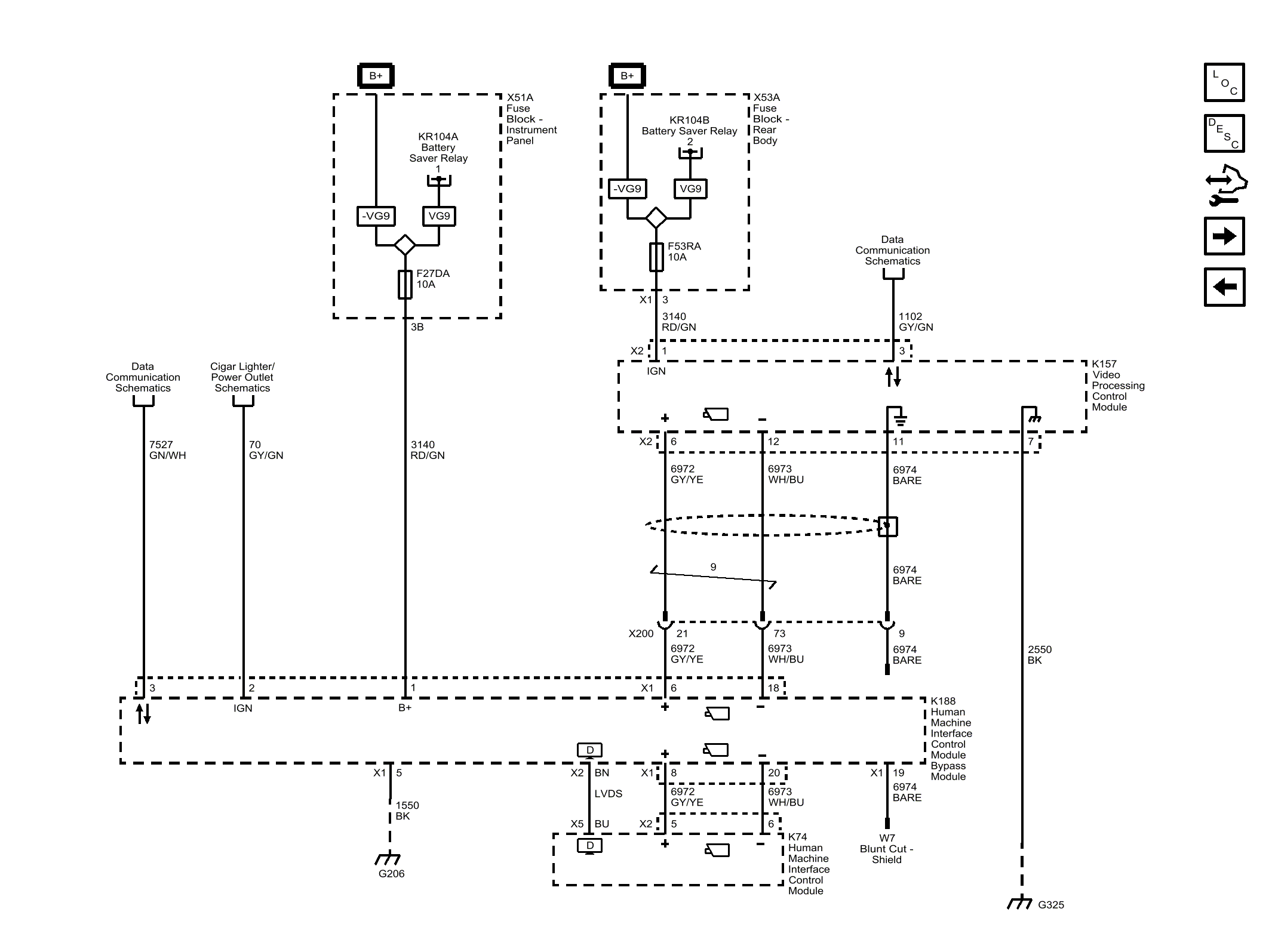
360 Degree Vision - Module Power, Ground, Serial Data, and Camera Signals (UVH)

WARNING: This page is about a different car, the 2018 Cadillac XT5. However, it is still accessible from the selected car via links, so may be relevant.
GM4664331