LEMON Manuals: Even more car manuals for everyone: 1960-2025
Home >> Cadillac >> 2020 >> CT6 V >> Repair and Diagnosis (Single Page) >> Accessories & Equipment >> Drivers Assistance Systems - ADAS >> Driver Assistance Systems >> Wiring Schematic Diagrams >> Driver Assistance Systems Wiring Schematics (UKL) >> Multifunction Energy Storage Capacitor Control Module
April 5, 2026: LEMON Manuals is launched! Read the announcement.

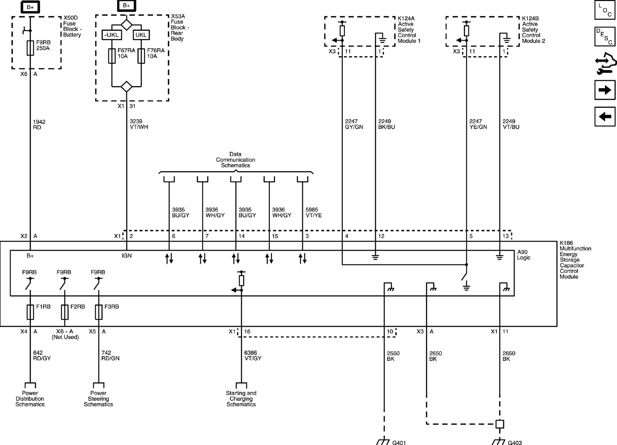
Multifunction Energy Storage Capacitor Control Module

GM5363686Courtesy of GENERAL MOTORS COMPANY