LEMON Manuals: Even more car manuals for everyone: 1960-2025
Home >> Cadillac >> 2020 >> XT6 Sport >> Repair and Diagnosis >> External Pages >> Different car >> Section 35 (Automatic Level Control System) >> Schematic Wiring Diagrams >> Automatic Level Control Wiring Schematics >> Automatic Level Control (Z85)
April 5, 2026: LEMON Manuals is launched! Read the announcement.

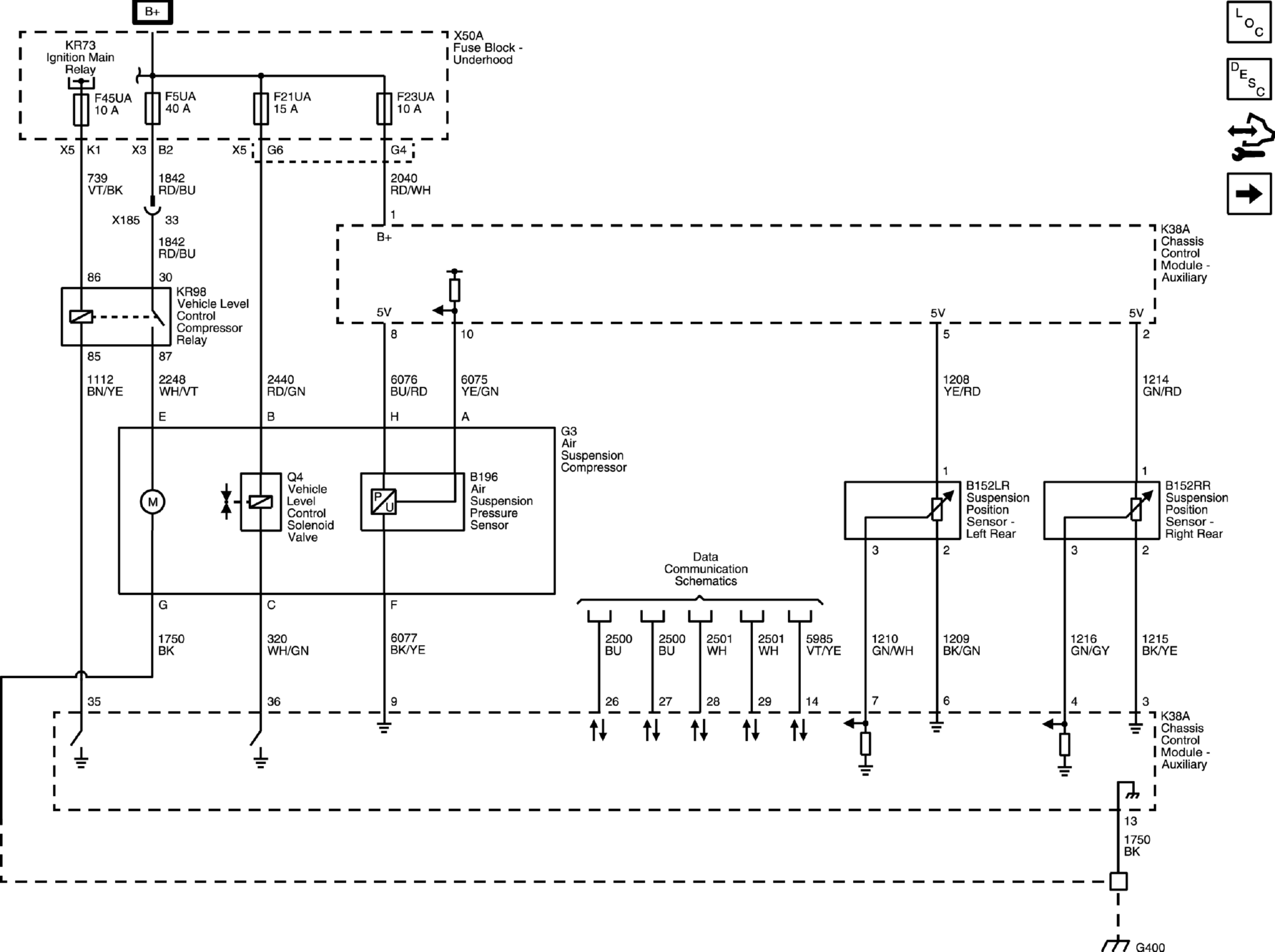
Automatic Level Control (Z85)

WARNING: This page does not describe the selected car, but rather 6 other vehicles, including the 2020 GMC Yukon XL, 2020 GMC Yukon, 2020 Chevrolet Tahoe, 2020 Chevrolet Suburban, and 2020 Cadillac Escalade ESV. However, it is still accessible from the selected car via links, so may be relevant.
GM5181636Courtesy of GENERAL MOTORS COMPANY