LEMON Manuals: Even more car manuals for everyone: 1960-2025
Home >> Cadillac >> 2021 >> XT5 Sport >> Repair and Diagnosis (Single Page) >> Accessories & Equipment >> Drivers Assistance Systems - ADAS >> Image Display Cameras >> Schematic Wiring Diagrams >> Image Display Camera Wiring Schematics >> Module Power, Ground, Serial Data, and Camera Signals (UV2)
April 5, 2026: LEMON Manuals is launched! Read the announcement.

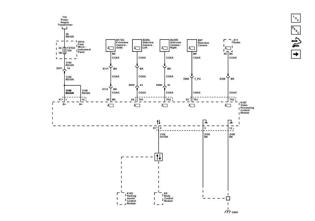
Module Power, Ground, Serial Data, and Camera Signals (UV2)

GM5462314Courtesy of GENERAL MOTORS COMPANY