LEMON Manuals: Even more car manuals for everyone: 1960-2025
Home >> Cadillac >> 2021 >> XT5 Sport >> Repair and Diagnosis >> External Pages >> Different car >> Section 200 (Remote Functions) >> Schematic Wiring Diagrams >> Remote Function Wiring Schematics >> Keyless Entry - Passive and Keyless Start
April 5, 2026: LEMON Manuals is launched! Read the announcement.

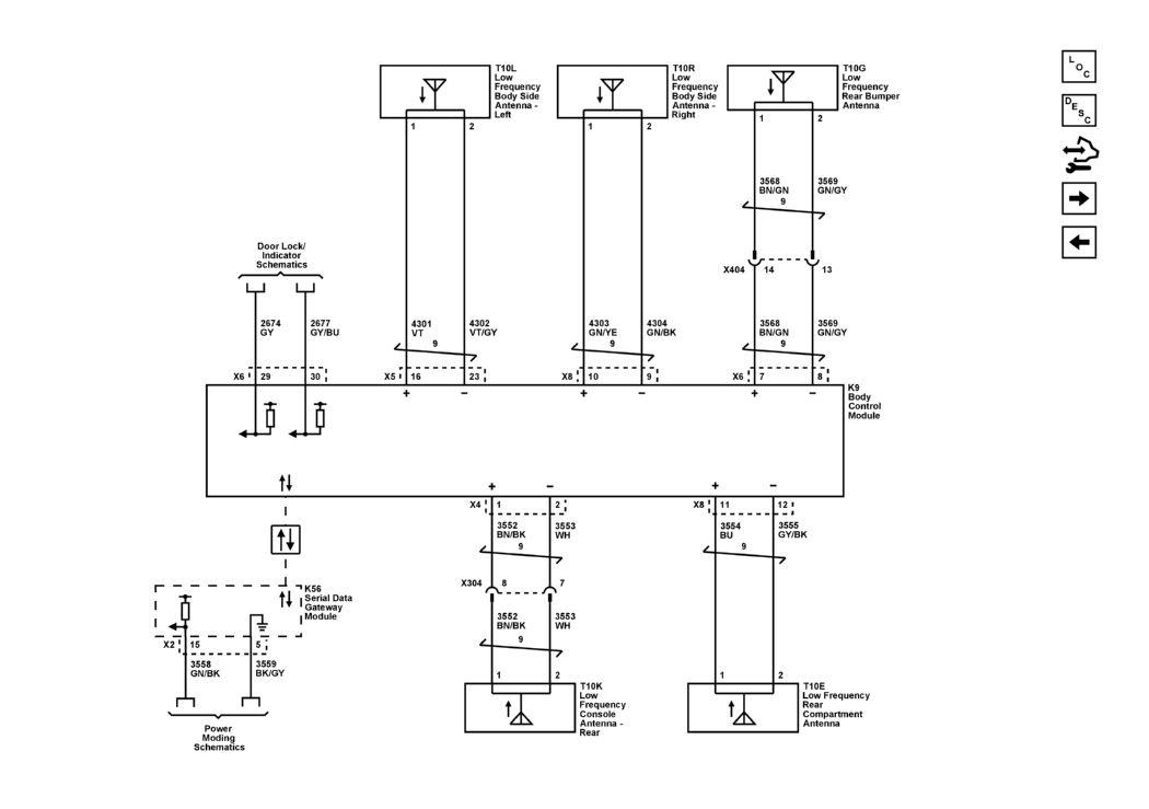
Keyless Entry - Passive and Keyless Start

WARNING: This page is about a different car, the 2020 Cadillac CT4. However, it is still accessible from the selected car via links, so may be relevant.
GM5391994Courtesy of GENERAL MOTORS COMPANY