LEMON Manuals: Even more car manuals for everyone: 1960-2025
Home >> Cadillac >> 2021 >> XT5 Sport >> Repair and Diagnosis >> External Pages >> Different car >> Section 734 (Keyless Entry System And Remote Functions) >> Schematic Wiring Diagrams >> Remote Function Wiring Schematics >> Keyless Entry - Passive and Keyless Start
April 5, 2026: LEMON Manuals is launched! Read the announcement.

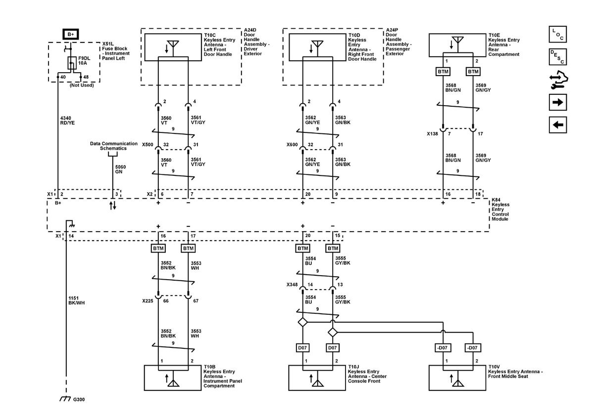
Keyless Entry - Passive and Keyless Start

WARNING: This page is about a different car, the 2023 GMC Sierra 3500 HD and 2023 GMC Sierra 2500 HD. However, it is still accessible from the selected car via links, so may be relevant.
GM5995596Courtesy of GENERAL MOTORS COMPANY