LEMON Manuals: Even more car manuals for everyone: 1960-2025
Home >> Dodge and Ram >> 1982 >> Rampage L4-135 2.2L >> Repair and Diagnosis >> Powertrain Management >> Computers and Control Systems >> Relays and Modules - Computers and Control Systems >> Engine Control Module >> Technical Service Bulletins >> All Technical Service Bulletins >> Fuel System - Vapor Lock/ Fuel Foaming >> Repair Procedure
April 5, 2026: LEMON Manuals is launched! Read the announcement.

Repair Procedure

This repair requires the removal of the mechanical fuel pump and engine mounted fuel lines and the installation of an in-tank electric fuel pump.

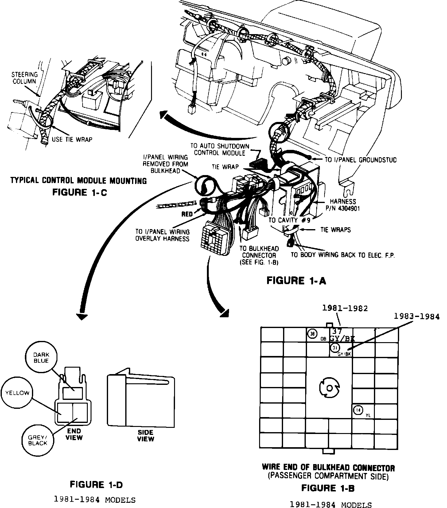
A. Instrument Panel Wiring PN 4304901

All 1981 Through 1987 Models

1. Disconnect battery.

NOTE: REMOVE THE CLUTCH CABLE BRACKET FOR MANUAL TRANSMISSION VEHICLES OR SHIFT CABLE BRACKET FOR AUTOMATIC TRANSMISSION VEHICLES (IF SO EQUIPPED) AT THE LEFT SHOCK TOWER BEFORE PERFORMING THE NEXT STEP.
2. Remove engine side of bulkhead connector. Depress fingers on sides of other half of bulkhead connector and push connector back through hole into passenger compartment.

3. Remove left side cowl kick panel and left sill scuff plate. Remove fuse block from its mounting location on side cowl.

4. Remove rear upper and lower seat cushions. On Rampage and Scamp models remove the plastic package tray mounted on rear bulkhead.

FIGURE 1A:




5. 1981 Through 1984 Model Year Vehicles Only

Remove the following three wires from the instrument panel side of the bulkhead connector (Figure 1-B).

a. Yellow wire from cavity #14.
b. Grey/black wire from cavity #31 (#37 for 1981-1982 model year vehicles), if so equipped.
c. Dark blue wire from cavity #38.

Install the three wires just removed from bulkhead connector into the 3-way insulator supplied with wiring overlay harness, PN 4304901 (Figure 1-D).

6. 1981 Through 1984 Model Year Vehicles Only

Insert the three bare terminals on overlay harness, PN 4304901, into the bulkhead connector as shown in Figure 1-B and outlined below.

a. Yellow wire into cavity #14.
b. Grey/black wire into cavity #31 (#37 for 1981-1982 model year vehicles).
c. Dark blue wire into cavity #38. -------------------------------------------------------------------------------------------------------------

FIGURE 1B:




5. 1985-1987 Model Year Vehicles Only

Remove the following wires from instrument panel side of the bulkhead (Figure 1-G).

a. Yellow wire from cavity #14.
b. Dark blue wire from cavity #38.

Install the two loose wires just removed into 3-way insulator supplied with wiring overlay harness, PN 4304901. Install wires as shown in Figure 1-F.

6. 1985-1987 Model Year Vehicles Only

Insert the three bare terminals of overlay harness, PN 4304901, into the passenger compartment side of the bulkhead connector (Figure 1-G) as follows:

FIGURE 1A:




7. Route and tie wrap overlay harness, PN 4304901, as shown in Figure 1-A.

8. 1983-1984 model year vehicles, proceed to Section C.

FIGURE 1B:




B. Engine Compartment Wiring PN 4304992

1981-1982 & 1985-1987 Models Only (1983-1984 models have this wire built into original wire harness, therefore, 1983-1984 models proceed to Section C)

1. Route engine compartment overlay harness, PN 4304992, along the headlamp-to-dash engine compartment wiring harness across the cowl. Loop and tape excess wire near ignition coil. Secure, using five tie wraps as shown in Figure 1-H.

2. Install the eyelet terminal of the overlay harness, PN 4304992, to the NEGATIVE terminal of the ignition coil as shown in Figure 1-J.

3. Install the blade terminal of the overlay harness, PN 4304992, into engine side bulkhead connector as shown in Figure 1-K and as follows:

^ 1985-1987 model year vehicles into cavity #30.
^ 1981-1982 model year vehicles into cavity #37.

FIGURE 1A:




C. Instrument Panel Wiring PN 4304901 & Body Wiring PN 4331826

All 1981 Through 1987 Models

1. Connect the red 3-way insulator of harness, PN 4304901, to the 3-way insulator that was installed to the instrument panel wiring in Section A, Step 5.

2. Install the two bare terminals from the overlay harness, PN 4304901, into cavity #9 of the fuse block (Figure 1-A).

3. Make certain that the wires running behind the fuse block are dressed closely to the existing wiring to insure that no pinching will occur. Secure the overlay harness, PN 4304901, to the troughs of the fuse block with three tie wraps, PN 6015756 (Figure 1-A).

4. Reinstall passenger compartment side of bulkhead connector back into dash opening. Be sure it snaps in place.

5. Install the fuse block back onto the mounting studs on the side cowl.

6. Allow the 2-way connector of overlay harness, PN 4304901, to hang down to mate with the body harness overlay (Figure 1-A).

7. Connect overlay harness, PN 4304901, ground terminal to the instrument panel ground stud (Figure 1-A).
8. Connect the control module, PN 5226640, to the overlay harness connector. Secure the control module onto the instrument panel wiring harness with a tie wrap (Figure 1-C). Reinstall engine side bulkhead connector and torque to 40 inch pounds. Also reinstall the clutch cable or shift cable bracket if removed.

FLOOR PAN TOP VIEW FOR 3/4" WIRE GROMMET HOLE LOCATION RIGHT REAR UNDER BACK SEATFIGURE 5:




9. Lift carpet at right rear corner of floor pan and locate existing grommet (Figure 5). Mark and drill a 3/4" hole for the wiring overlay harness grommet behind the existing hole in floor pan (Figure 5).

CAUTION: USE CARE WHEN DRILLING HOLE SO AS TO AVOID CONTACT AND POSSIBLE DAMAGE TO FUEL LINES OR WIRING LOCATED UNDER FLOOR PAN.

FIGURE 2 - FUEL PUMP OVERLAY HARNESS ROUTING THROUGH BODY:




10. Install and route wire assembly, PN 4331826, for electric fuel pump through inner body to grommet location hole at right rear of vehicle (Figure 2) using the following procedure:

a. Connect body harness, PN 4331826, to instrument panel wiring harness, PN 4304901. Route fuel pump overlay wiring harness, PN 4331826, rearward along the body wiring harness using the same wiring clips along the left side sill. In addition to the sill clips, tie the overlay harness to the main body harness using three tie wraps. The tie wraps must be located adjacent to the sill scuff plate screw fastening holes (this is to prevent the overlay wiring from being pinched by the scuff plate fastening screws during reinstallation).

b. Route the overlay harness across the floor pan in front of the rear seat cushion to the new 3/4" grommet hole (Figure 2).

FIGURE 2 - FUEL PUMP OVERLAY HARNESS ROUTING THROUGH BODY:




FLOOR PAN TOP VIEW FOR 3/4" WIRE GROMMET HOLE LOCATION RIGHT REAR UNDER BACK SEATFIGURE 5:




c. Feed overlay harness through 3/4" grommet hole and snap grommet in place (Figures 2 and 5). Reinstall upper and lower rear seat cushions. Reinstall package tray on Rampage and Scamp. Reinstall cowl trim side panel.

11. Install 10 amp fuse into cavity #9.



D. ENGINE COMPARTMENT

Vehicles With Right Side Supply Tube Routing (1981 through early 1984)

1. Remove fuel tank filler cap. Remove and discard mechanical fuel pump, engine mounted fuel supply and return tubes and hoses, and fuel filter (Figure 3).

2. Install fuel pump mounting pad cover plate, PN 4275325, and gasket, PN 5214680, and secure with two screw and washer assemblies. Torque to 16 foot pounds.

3. Remove air cleaner crossover assembly. Remove original air horn-to-crossover rubber gasket and install fuel reservoir bracket and gasket assembly, PN 4306932, over carburetor air horn studs. Reinstall air cleaner crossover (Figure 3-A).
4. Install fuel reservoir/filter assembly, PN 4306286, to bracket and fasten with two nuts, PN 6100047. Connect the 13-1/2" long x 5/16" inside diameter hose, PN 4279613, between the chassis fuel supply tube and reservoir. Install the 1/4" vapor return hose attached to reservoir on 1/4" chassis fuel vapor return line.

Secure fuel hoses with 5/16" (silver) and 1/4" (black) clamps provided. Torque clamps to 10 inch pounds (Figure 3).

NOTE: IF VEHICLE IS ALREADY EQUIPPED WITH A FUEL RESERVOIR IT MUST BE REMOVED AND REPLACED WITH FUEL RESERVOIR/FILTER, PN 4306286, SUPPLIED.

Vehicles With Left Side Supply Tube Routing (late 1984 through 1987)

1. Remove fuel tank filler cap. Remove and discard mechanical fuel pump, engine mounted fuel supply and return tubes and hoses, and fuel filter (Figure 3).
2. Install fuel pump mounting pad cover plate, PN 4275325, and gasket, PN 5214680, and secure with two screw and washer assemblies, PN 6500799. Torque screws to 16 foot pounds.

W/LEFT SIDE FUEL SUPPLY ROUTINGFIGURE 4:




3. Install new engine mounted supply tube, PN 4307372, to reservoir using two fuel tube spacers, PN 4275610, in upper clips (Figure 4).



4. Remove air cleaner crossover assembly, discard original air horn-to-crossover rubber gasket, and install fuel reservoir bracket and gasket assembly, PN 4306932, over carburetor air horn studs. Reinstall air cleaner crossover (Figure 3-A).

Install fuel reservoir/filter assembly, PN 4306286, to bracket and fasten with two nuts, PN 6100047. Connect 1/4" fuel vapor return hose from reservoir to 1/4" chassis vapor return line. Use the 5" x 5/16" inside diameter hose, PN 4279893, between the fuel supply tube and reservoir.

W/LEFT SIDE FUEL SUPPLY ROUTINGFIGURE 4:




Secure fuel hoses with 5/16" (silver) and 1/4" (black) clamps provided. Torque clamps to 10 inch pounds (Figure 4).

NOTE: IF VEHICLE IS EQUIPPED WITH A FUEL RESERVOIR, OR A FUEL PRESSURE REGULATOR (LATE 1987 MODELS), IT MUST BE REMOVED AND REPLACED WITH FUEL RESERVOIR/FILTER, PN 4306286, SUPPLIED.
E. Underbody Component Installation

1. Remove the parking brake cable from the bracket and push it to the side to allow clearance for the following operations:

2. Disconnect the fuel gauge wire, fuel supply and fuel return hoses from the fuel tank gauge unit. Drain the fuel tank and remove the tank from the vehicle following the procedure given in the service manual.

FIGURE 6 L Body, 2.2L Engine Pressure Regulator Mounting:




3. Attach the fuel pressure regulator assembly, PN 4203802, to the mounting bracket with two self-tapping screws, PN 6033066 (Figure 6).
4. Remove the screw holding the chassis fuel line clip. With a new screw, PN 6031540, reinstall the clip with the pressure regulator mounting bracket, PN 4203799, under the clip (Figure 6). Drill a 13/64" diameter hole through the other bracket mounting hole. Bracket is to be mounted in vertical position (Figure 6).
5. Install a self-tapping screw, PN 6031540, in this newly drilled hole and tighten.

6. Remove and discard the fuel tank gauge unit in the fuel tank. Use caution when installing the new gauge/pump unit to insure accurate gauge unit calibration. Install the fuel tank gauge unit and pump assembly with the new seal, PN 6031475, provided.

7. Reinstall the fuel tank and gauge unit assembly, making sure the insulating pad is properly located and the vapor separator rollover valve hose is connected.

CAUTION: BE SURE THE VAPOR VENT HOSE IS CLIPPED TO THE TANK AND IS NOT PINCHED BETWEEN THE TANK AND FLOOR PAN DURING INSTALLATION.

Follow the tank installation procedure given in the service manual.

8. Reinstall the parking brake cable in the bracket and secure the fastener.

FIGURE 7 L Body 2.2L Pressure Regulator Installation:




9. Remove the 3/16" vapor vent hose from the chassis vapor tube and slide the convoluted protective sleeve, PN 4203804, over the vapor vent hose. Reinstall the hose to the chassis vapor tube. Install fuel hose, PN 4203798, between the fuel tank and pressure regulator inlet (Figure 7). Install fuel hose, PN 4203797, between the pressure regulator outlet and chassis fuel line. Remove and discard the existing fuel return hose from the chassis tube, and install new fuel return hose, PN 4203557, between the chassis tube and pump/gauge unit tube. Secure all the hoses with the clamps provided. Inspect all hoses to make sure they are clamped properly and in the proper position as shown in Figure 7.

FIGURE 8:




10. Connect electric fuel pump jumper, PN 4331763, to the body harness, PN 4331826, and route over the fuel and vent line hoses and the parking brake cable. Plug the jumper into the connector on the fuel tank gauge unit. With a tie wrap, fasten the jumper cable to the fuel hose being careful to keep it away from the parking brake cable with no part hanging below the fuel hoses.

NOTE: FIGURE 8 IS THE WIRING CIRCUIT SCHEMATIC WHICH MAY BE USED FOR TROUBLESHOOTING.
11. Place fuel in the fuel tank and connect the battery terminal.

12. Start the engine, inspect the entire installation for fuel leaks, and proper wire and hose routing.

FIGURE 9:




13. Type Authorized Modification Label, PN 4275086, as shown in Figure 9 with proper package part number and install next to or near the original VECI label.
F. After-Run Fan Removal (where equipped)

NOTE: THIS PROCEDURE CANNOT BE USED ON 1984 MODELS WITH FACTORY INSTALLED AFTER-RUN FAN.

1. Disconnect the 2-way plug for the ambient temp sensor that is located on the fan motor brace.

2. Remove sensor from brace by severing tie wraps or removing screw and discard.

3. Tape or tie wrap the after-run portion of the wire harness back to the main fan wire harness to assure the leads will not be caught in the fan.

4. The fan may still after-run for only one engine shut-down cycle due to timer memory.


POLICY: Reimbursable within the provisions of the warranty


TIME ALLOWANCE:
Labor Operation No. 14-70-11-94 . . . . . . . . . . . 2.5 Hrs.


FAILURE CODE: AM - Authorized Modification