LEMON Manuals: Even more car manuals for everyone: 1960-2025
Home >> Dodge and Ram >> 1987 >> Charger Base, Standard >> Repair and Diagnosis >> Engine Performance >> System >> EFC System >> Wiring Diagrams
April 5, 2026: LEMON Manuals is launched! Read the announcement.

Wiring Diagrams

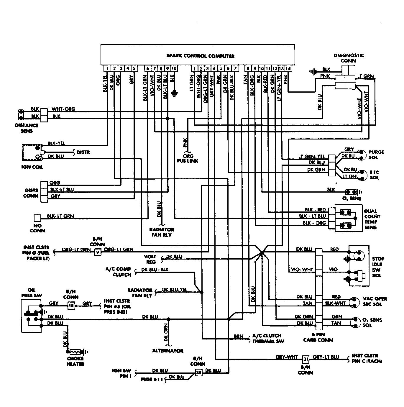
Fig 1: Wiring Diagram For 2.2L Carbureted Engines
G5764