LEMON Manuals: Even more car manuals for everyone: 1960-2025
Home >> Dodge and Ram >> 1992 >> Colt Base, Standard >> Repair and Diagnosis >> Engine Performance >> System >> Engine Controls - Tests W/Codes >> Code Charts >> Dr-5: Testing Throttle Position Sensor Circuit
April 5, 2026: LEMON Manuals is launched! Read the announcement.

Dr-5: Testing Throttle Position Sensor Circuit

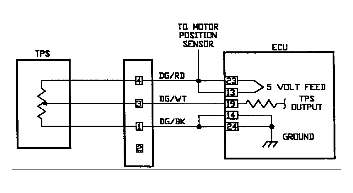
Fig 1: DR-5 Test Schematic Testing Throttle Position Sensor Circuit
G90H15377
Fig 2: DR-5 Test Flow Chart (1 Of 2) Testing Throttle Position Sensor Circuit
G91G17240
Fig 3: DR-5 Test Flow Chart (2 Of 2) Testing Throttle Position Sensor Circuit
G91H17241