LEMON Manuals: Even more car manuals for everyone: 1960-2025
Home >> Dodge and Ram >> 1994 >> Intrepid Base, 3.5 F >> Repair and Diagnosis >> External Pages >> Different car >> Section 1 (Engine Controls - Tests W/Codes - Body Control Computer) >> Connector Identification >> Body Control System Connectors
April 5, 2026: LEMON Manuals is launched! Read the announcement.

Body Control System Connectors

WARNING: This page is about a different car, the 1993 Dodge Dynasty, 1993 Chrysler New Yorker Fifth Avenue, 1993 Chrysler New Yorker, and 1993 Chrysler Imperial. However, it is still accessible from the selected car via links, so may be relevant.
NOTE: For terminal identification of body control system connectors, see Fig 1 -26. Connector terminal numbers are molded into connectors. If connector terminal identification differs from what is shown in figure, use wire colors to ensure correct circuit is being tested. For wiring diagrams, see WIRING DIAGRAMS  at the end of this article.
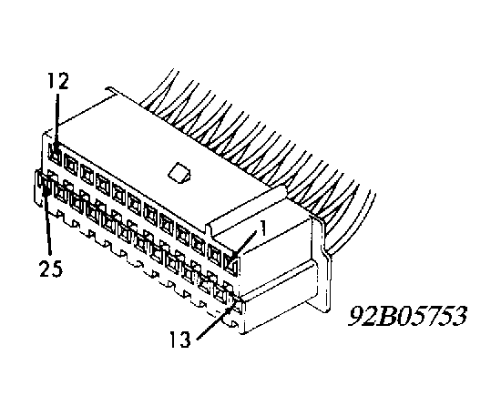
Fig 1: Body Controller Black Connector Terminal ID
G92B05753Courtesy of CHRYSLER CORP.
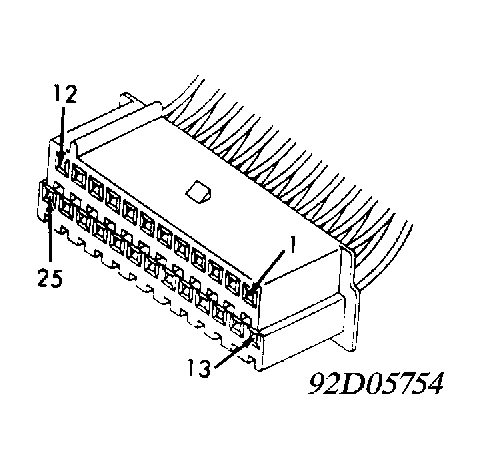
Fig 2: Body Controller Natural/Red Connector Terminal ID
G92D05754Courtesy of CHRYSLER CORP.
Fig 3: Brakelight Bulb Socket Terminal ID
G92G05755Courtesy of CHRYSLER CORP.
Fig 4: Brakelight Switch & EVIC Connector Terminal ID
G93I40590Courtesy of CHRYSLER CORP.
Fig 5: CCD Bus (Data Link) Diagnostic Connector Terminal ID
G93J40591Courtesy of CHRYSLER CORP.
Fig 6: Electronic Instrument Cluster Connector Terminal ID
G93C40594Courtesy of CHRYSLER CORP.
Fig 7: Engine Node Connector Terminal ID
G92I01522Courtesy of CHRYSLER CORP.
Fig 8: Front Door Jamb Switch Connector Terminal ID
G92G05760Courtesy of CHRYSLER CORP.
Fig 9: Fuel Tank Sending Unit Connector Terminal ID
G92I05761Courtesy of CHRYSLER CORP.
Fig 10: Identifying Relay Connector Terminals
G92C05763Courtesy of CHRYSLER CORP.
Fig 11: Door Lock Switch Connector Terminal ID (AC Body)
G93E40604Courtesy of CHRYSLER CORP.
Fig 12: Headlight Switch 9-Pin Connector Terminal ID
G92H05765Courtesy of CHRYSLER CORP.
Fig 13: Key-In Light Connector Terminal ID
G93I40608Courtesy of CHRYSLER CORP.
Fig 14: Left Body Connector Terminal ID
G92D05768Courtesy of CHRYSLER CORP.
Fig 15: Light Outage Module 14-Pin Connector Terminal ID
G92J05785Courtesy of CHRYSLER CORP.
Fig 16: Light Outage Module 5-Pin Connector Terminal ID
G92J05771Courtesy of CHRYSLER CORP.
Fig 17: Mechanical Instrument Cluster Connector Terminal ID
G92D05773Courtesy of CHRYSLER CORP.
Fig 18: Multifunction Switch 24-Pin Connector Terminal ID
G92F05774Courtesy of CHRYSLER CORP.
Fig 19: Oil Pressure Switch/Sending Unit Connector Terminal ID
G92I05775Courtesy of CHRYSLER CORP.
Fig 20: Remote Keyless Entry (RKE) Module Connector Terminal ID
G93A40618Courtesy of CHRYSLER CORP.
Fig 21: Seat Belt Switch Connector Terminal ID
G92G05779Courtesy of CHRYSLER CORP.
Fig 22: Single Board Engine Controller (SBEC) Connector Terminal ID
G92I05780Courtesy of CHRYSLER CORP.
Fig 23: Trunk Ajar Switch Connector Terminal ID
G92C05782Courtesy of CHRYSLER CORP.
Fig 24: Vehicle Theft Alarm Module Connector Terminal ID
G92E05783Courtesy of CHRYSLER CORP.
Fig 25: Visual Message Center Connector Terminal ID
G92G05784Courtesy of CHRYSLER CORP.