LEMON Manuals: Even more car manuals for everyone: 1960-2025
Home >> Dodge and Ram >> 1996 >> Intrepid V6-201 3.3L >> Repair and Diagnosis >> Powertrain Management >> Relays and Modules - Powertrain Management >> Relays and Modules - Computers and Control Systems >> Engine Control Module >> Technical Service Bulletins >> All Technical Service Bulletins >> Engine Controls - PCM Wiring Update
April 5, 2026: LEMON Manuals is launched! Read the announcement.

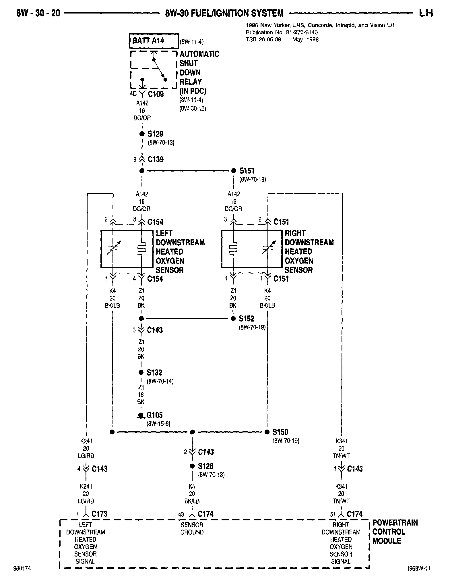
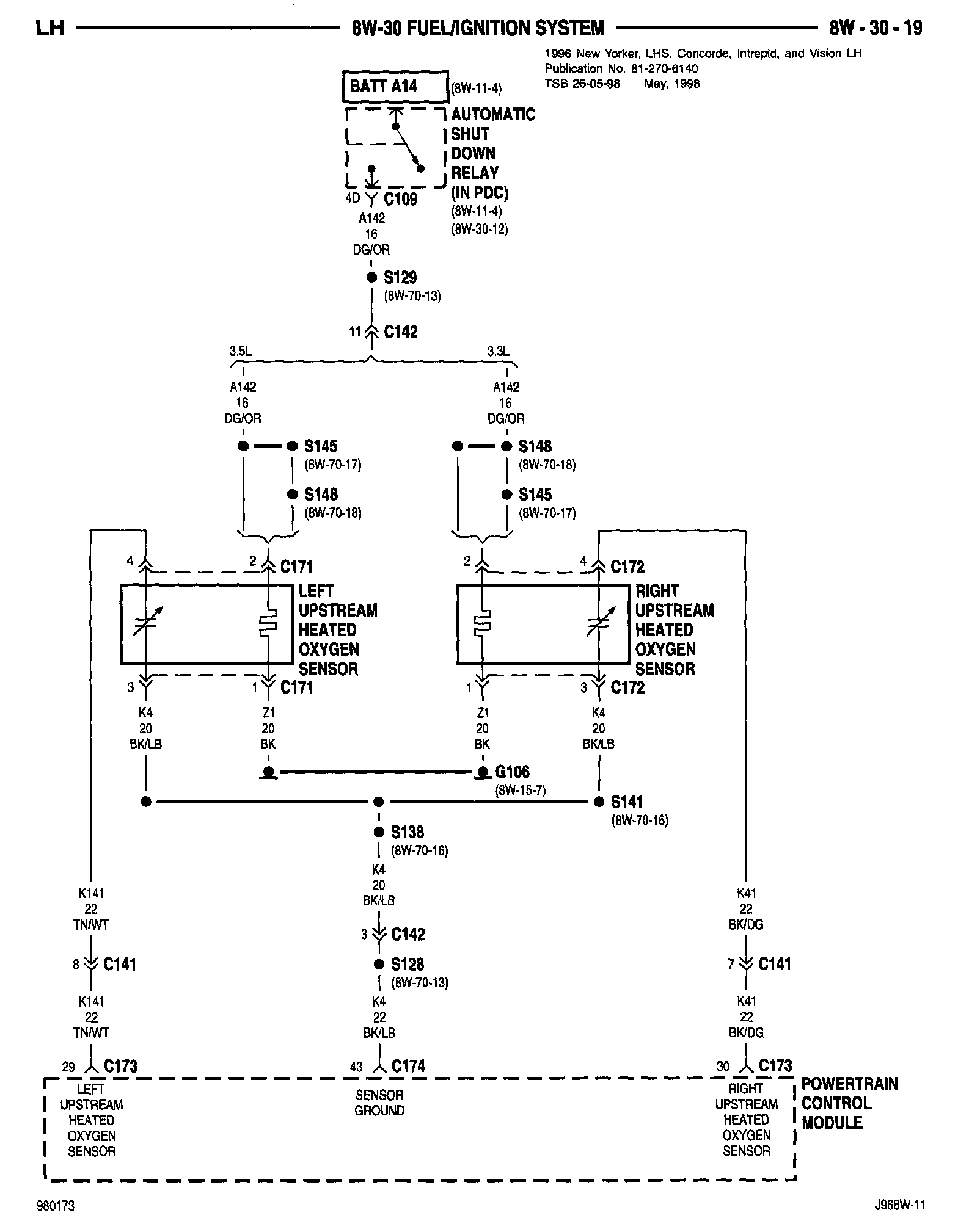
Engine Controls - PCM Wiring Update

NUMBER: 26-05-98

GROUP: Miscellaneous

DATE: May, 1998

REVISIONS ARE HIGHLIGHTED WITH BLACK BARS IN THE MARGIN

Models:
1996 Concorde, Vision, Intrepid, New Yorker, LHS Service Manual - Publication 81-270-6140

DESCRIPTION OF CHANGES

Revision to the Power Train Control Module wiring diagrams





8W-30-19





8W-30-20





8W-80-26





8W-80-27