LEMON Manuals: Even more car manuals for everyone: 1960-2025
Home >> Dodge and Ram >> 2001 >> Intrepid Base >> Repair and Diagnosis >> Transmission >> Automatic Trans >> Shift Interlock Systems >> Wiring Diagrams
April 5, 2026: LEMON Manuals is launched! Read the announcement.

Wiring Diagrams

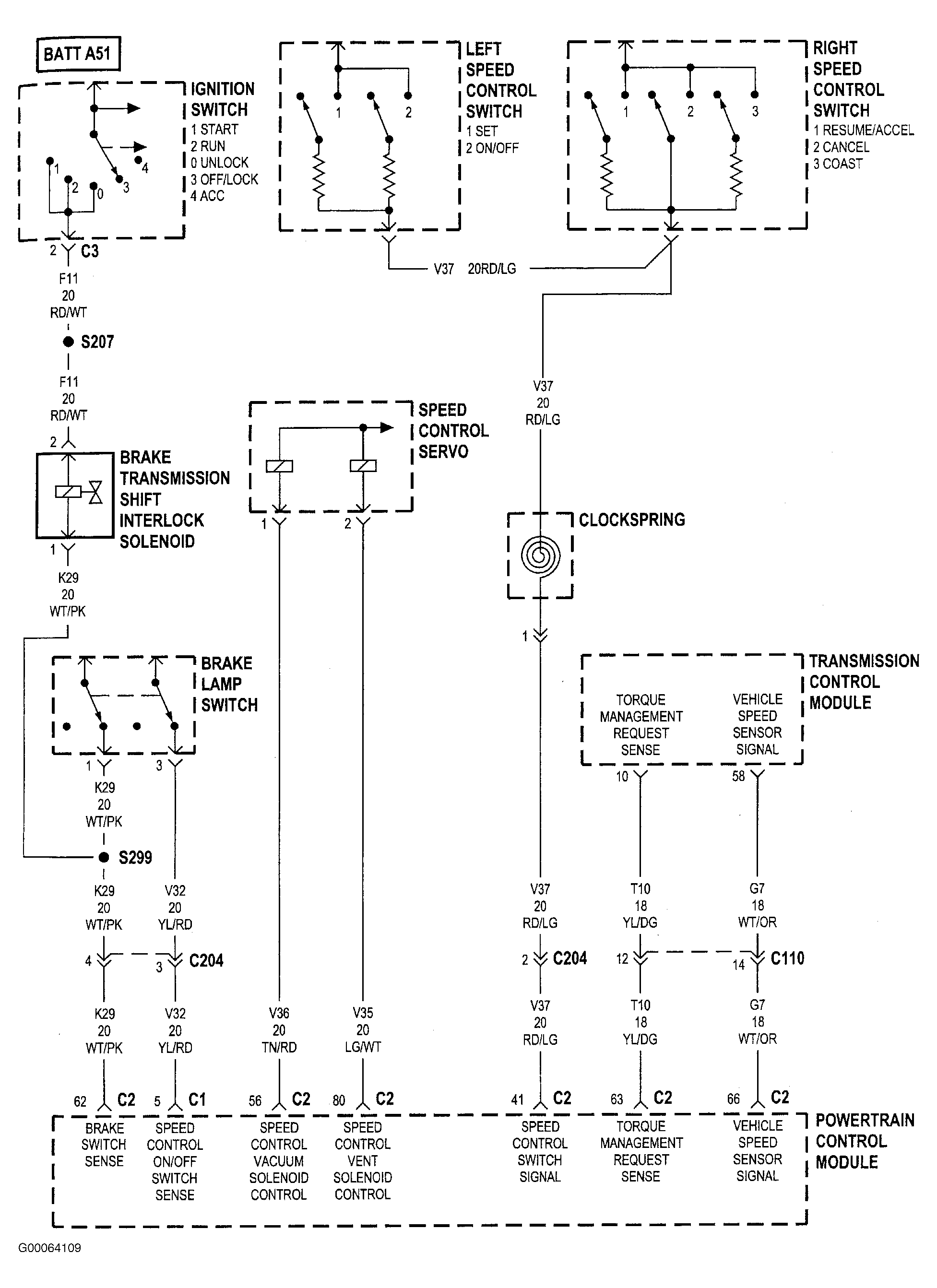
Fig 1: Shift Interlock System Wiring Diagram (2001 Concord, Intrepid, LHS & 300M)
Fig 2: Shift Interlock System Wiring Diagram (2001 Neon)
Fig 3: Shift Interlock System Wiring Diagram (2001-02 Prowler)
G00064109Courtesy of DAIMLERCHRYSLER CORP.
Fig 4: Shift Interlock System Wiring Diagram (2001-02 PT Cruiser)
Fig 5: Shift Interlock System Wiring Diagram (2001 Sebring Convertible)
Fig 6: Shift Interlock System Wiring Diagram (2001 Sebring Sedan & Stratus Sedan)
Fig 7: Shift Interlock System Wiring Diagram (2002 Concord, Intrepid & 300M)
Fig 8: Shift Interlock System Wiring Diagram (2002 Neon)
Fig 9: Shift Interlock System Wiring Diagram (2002 Sebring Convertible, Sebring Sedan & Stratus Sedan)