LEMON Manuals: Even more car manuals for everyone: 1960-2025
Home >> Dodge and Ram >> 2004 >> Caravan SXT >> Repair and Diagnosis >> Engine Performance >> System >> Powertrain Diagnostic Procedures >> Schematic Diagrams
April 5, 2026: LEMON Manuals is launched! Read the announcement.

Schematic Diagrams

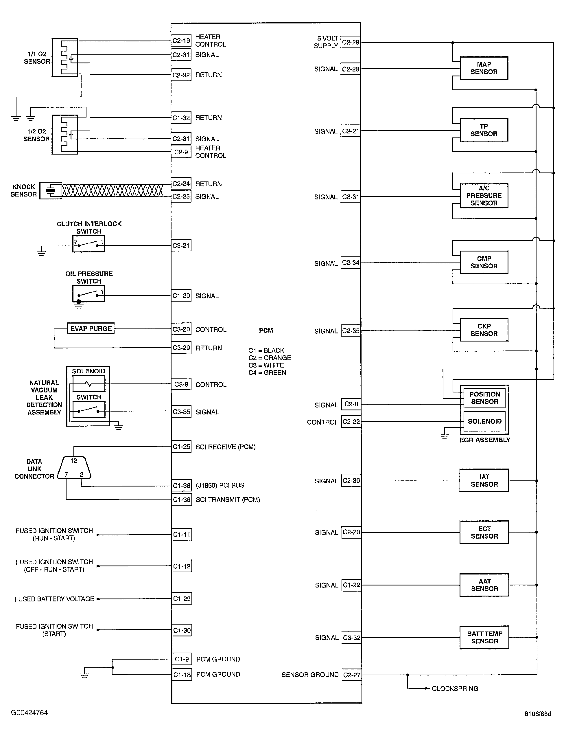
Fig 1: Schematic Diagram (1 Of 2)
G00424764Courtesy of DAIMLERCHRYSLER CORPORATION
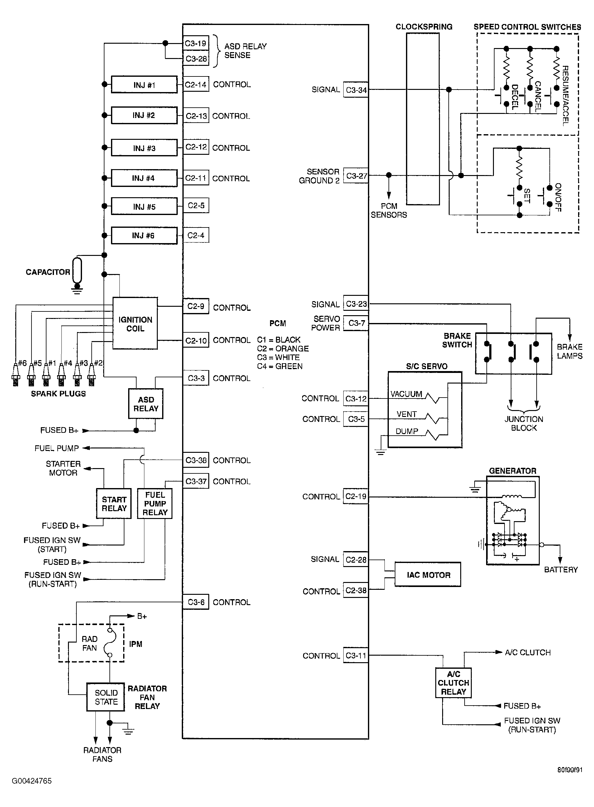
Fig 2: Schematic Diagram (2 Of 2)
G00424765Courtesy of DAIMLERCHRYSLER CORPORATION