LEMON Manuals: Even more car manuals for everyone: 1960-2025
Home >> Dodge and Ram >> 2004 >> Durango 3.7 K >> Repair and Diagnosis >> Engine Performance >> System >> Diagnosis And Testing - Introduction And DTC Index, Troubleshooting, System Checks, Verification Tests, Schematics And Diagrams >> Diagnosis And Testing >> *No Crank Condition >> Notes
April 5, 2026: LEMON Manuals is launched! Read the announcement.

*No Crank Condition: Notes

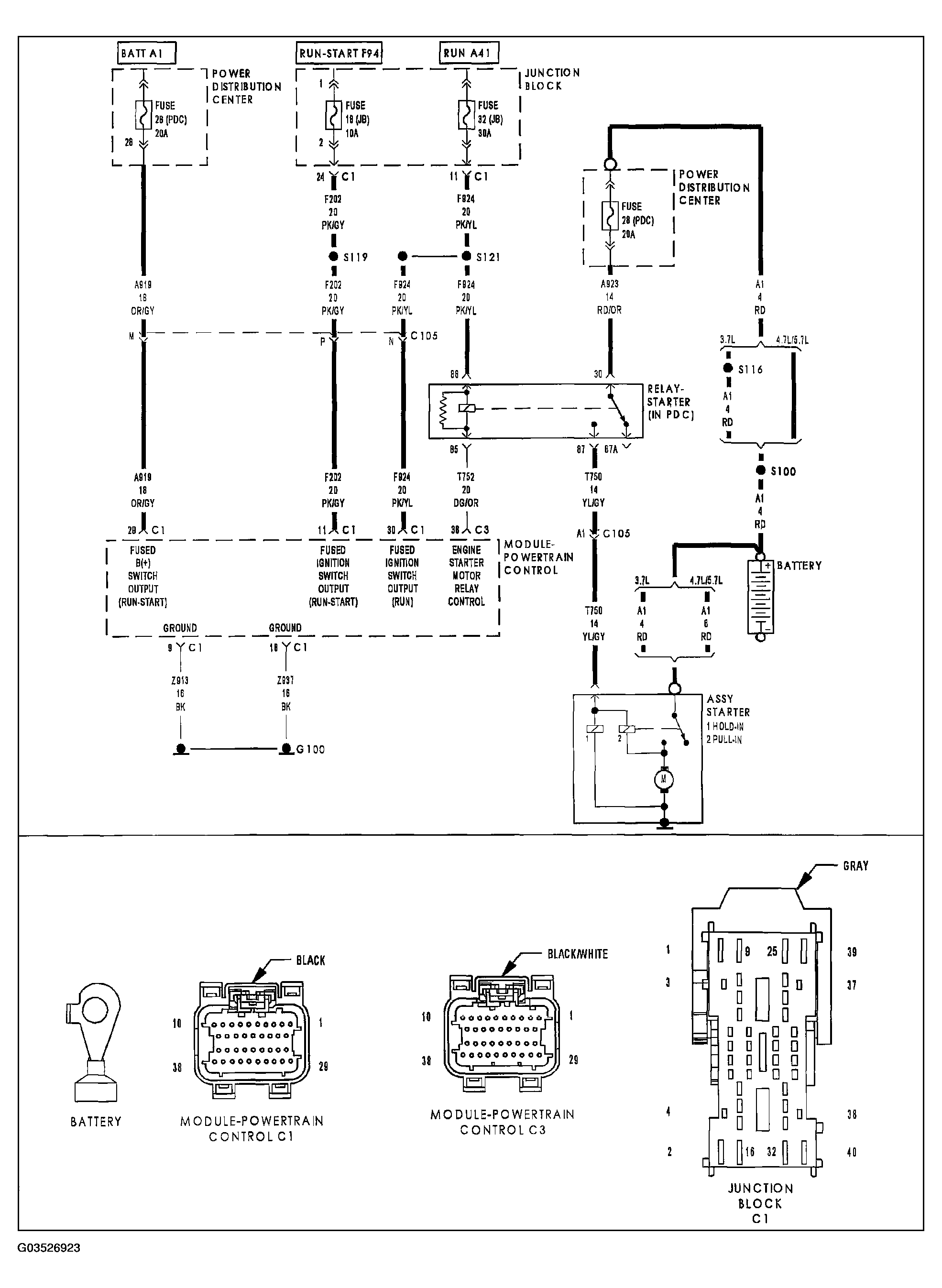
Fig 1: No Crank Condition Diagram
G03526923Courtesy of DAIMLERCHRYSLER CORP.

For the Engine circuit diagram (Refer to SCHEMATICS AND DIAGRAMS ).

For a complete wiring diagram, Refer to  SYSTEM WIRING DIAGRAMS  .

Possible Causes 

  1. MECHANICAL CONDITION
  2. BATTERY CIRCUIT RESISTANCE TOO HIGH
  3. FUSED IGNITION SWITCH OUTPUT CIRCUITS
  4. FUSED B+ CIRCUIT OPEN
  5. (T752) STARTER RELAY CONTROL CIRCUIT OPEN
  6. (T750) STARTER RELAY OUTPUT CIRCUIT OPEN
  7. TRANSMISSION RANGE SENSOR
  8. STARTER RELAY
  9. STARTER