LEMON Manuals: Even more car manuals for everyone: 1960-2025
Home >> Dodge and Ram >> 2004 >> Durango 3.7 K >> Repair and Diagnosis >> Engine Performance >> System >> Diagnosis And Testing - Introduction And DTC Index, Troubleshooting, System Checks, Verification Tests, Schematics And Diagrams >> Diagnosis And Testing >> *No Response With A No Start Condition >> Notes
April 5, 2026: LEMON Manuals is launched! Read the announcement.

*No Response With A No Start Condition: Notes

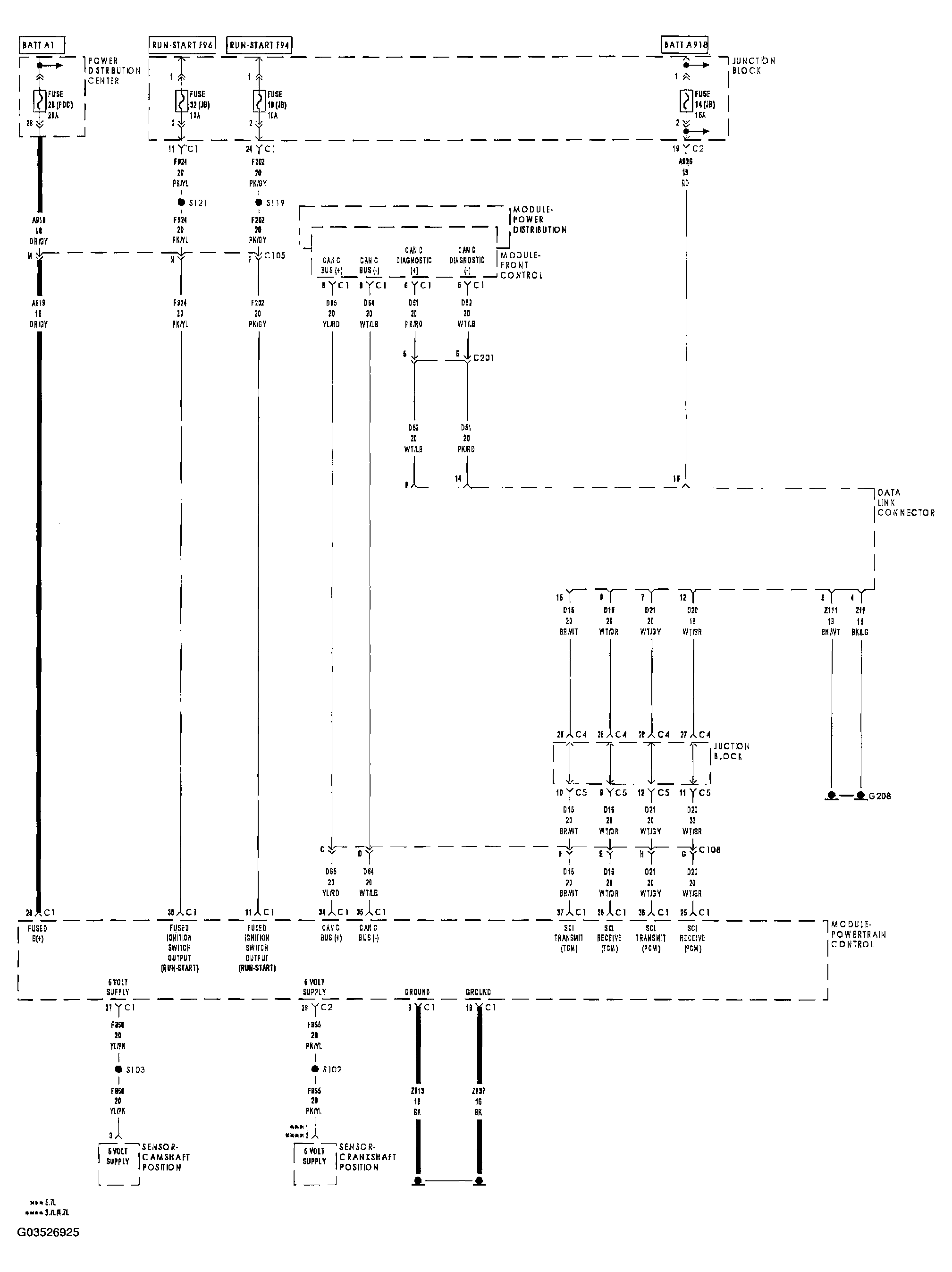
Fig 1: No Response With No Start Condition Diagram
G03526925Courtesy of DAIMLERCHRYSLER CORP.

For the Engine circuit diagram (Refer to SCHEMATICS AND DIAGRAMS ).

For a complete wiring diagram, Refer to  SYSTEM WIRING DIAGRAMS  .

Possible Causes 

  1. (A919) PCM FUSED B+ CIRCUIT
  2. PCM NO RESPONSE
  3. (F202) (F924) PCM FUSED IGNITION SWITCH OUTPUT CIRCUITS
  4. (Z913) (Z937) PCM GROUND CIRCUITS
  5. CRANKSHAFT POSITION SENSOR
  6. (F855) 5-VOLT SENSOR OPEN/SHORTED
  7. (F855) 5-VOLT SUPPLY CIRCUIT SHORTED TO GROUND
  8. (F856) 5-VOLT SUPPLY CIRCUIT SHORTED TO GROUND
  9. PCM