LEMON Manuals: Even more car manuals for everyone: 1960-2025
Home >> Dodge and Ram >> 2004 >> Durango 5.7 D, 4WD >> Repair and Diagnosis >> Engine Performance >> System >> Diagnosis And Testing - Introduction And DTC Index, Troubleshooting, System Checks, Verification Tests, Schematics And Diagrams >> Diagnosis And Testing >> Schematics And Diagrams
April 5, 2026: LEMON Manuals is launched! Read the announcement.

Schematics And Diagrams

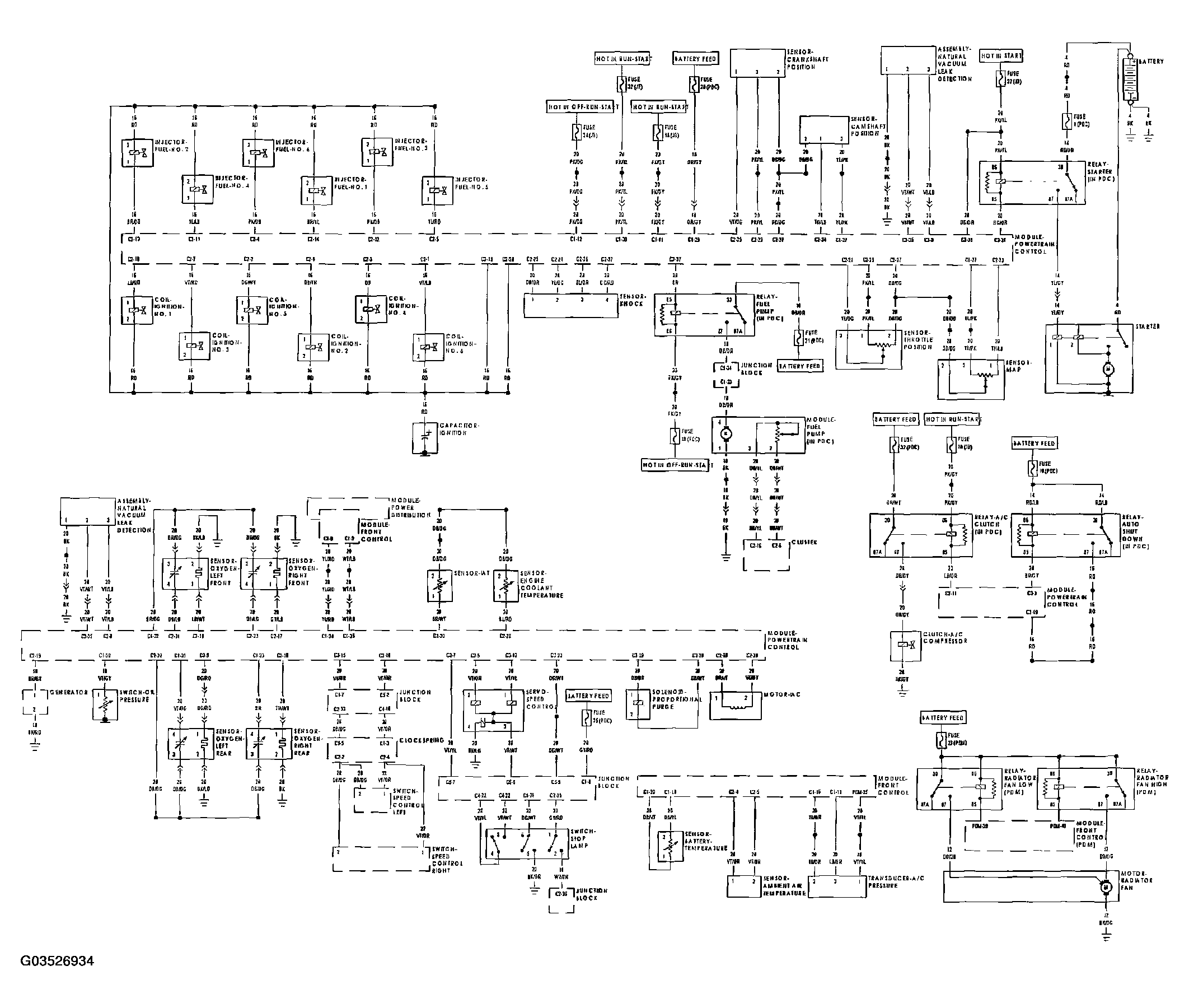
Fig 1: 3.7L System Schematic Diagram
G03526934Courtesy of DAIMLERCHRYSLER CORP.
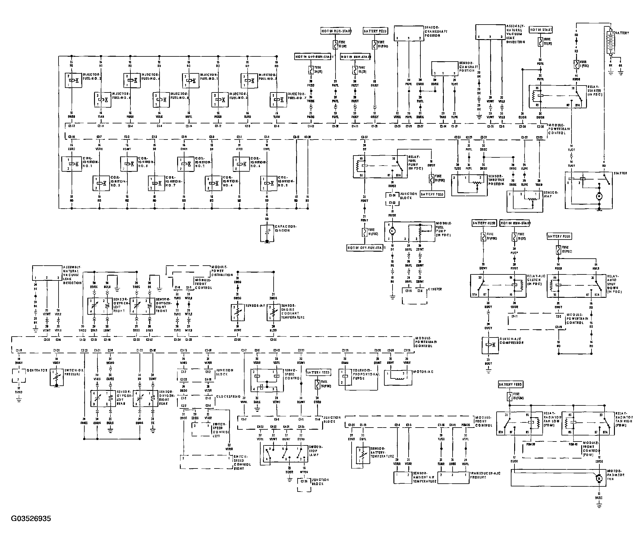
Fig 2: 4.7L System Schematic Diagram
G03526935Courtesy of DAIMLERCHRYSLER CORP.
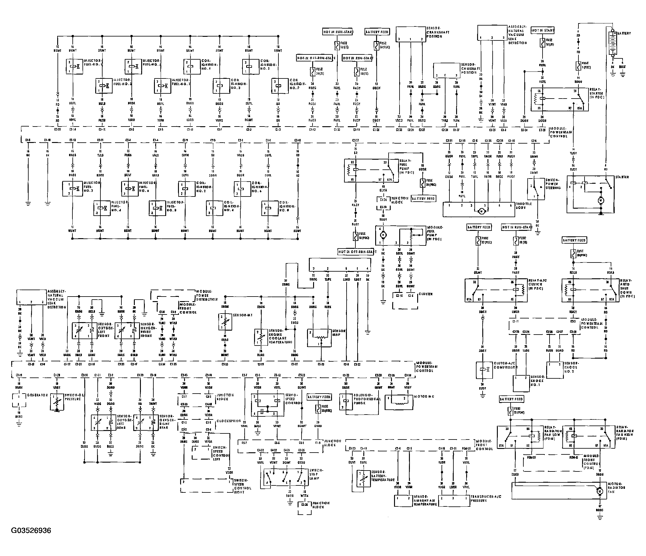
Fig 3: 5.7L System Schematic Diagram
G03526936Courtesy of DAIMLERCHRYSLER CORP.