LEMON Manuals: Even more car manuals for everyone: 1960-2025
Home >> Dodge and Ram >> 2004 >> Viper >> Repair and Diagnosis >> Engine Performance >> System >> Powertrain Diagnostic Procedures >> Schematic Diagrams
April 5, 2026: LEMON Manuals is launched! Read the announcement.

Schematic Diagrams

Fig 1: Schematic Diagram (1 Of 3)
G00424748Courtesy of DAIMLERCHRYSLER CORPORATION
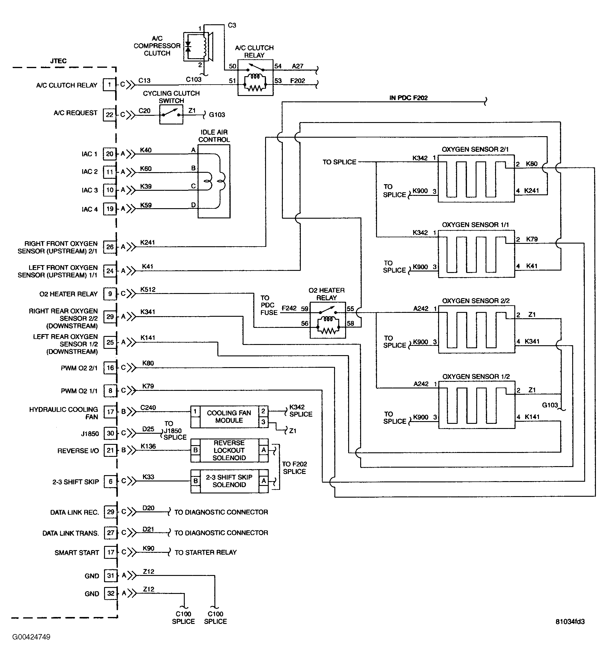
Fig 2: Schematic Diagram (2 Of 3)
G00424749Courtesy of DAIMLERCHRYSLER CORPORATION
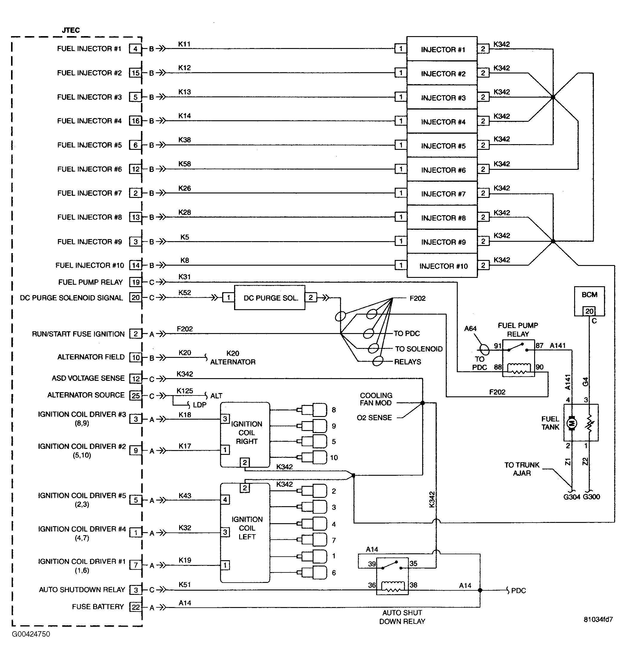
Fig 3: Schematic Diagram (3 Of 3)
G00424750Courtesy of DAIMLERCHRYSLER CORPORATION