LEMON Manuals: Even more car manuals for everyone: 1960-2025
Home >> Dodge and Ram >> 2006 >> Sprinter 2500, Van Cargo >> Repair and Diagnosis >> Engine Performance >> System >> Powertrain Diagnostic Procedures >> Schematic Diagrams >> Engine Control Module
April 5, 2026: LEMON Manuals is launched! Read the announcement.

Engine Control Module

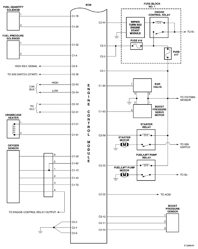
Fig 1: Schematic Diagrams - Engine Control Module (1 of 2)
G04762918Courtesy of CHRYSLER
Fig 2: Schematic Diagrams - Engine Control Module (2 of 2)
G04762919Courtesy of CHRYSLER