LEMON Manuals: Even more car manuals for everyone: 1960-2025
Home >> Dodge and Ram >> 2007 >> Caliber R/T, AWD >> Repair and Diagnosis >> Engine Performance >> Ignition System >> Ignition Control - Electrical Diagnostics >> DTC Troubleshooting >> B212F-Ignition Run/Acc Control Circuit Low >> Circuit Schematic
April 5, 2026: LEMON Manuals is launched! Read the announcement.

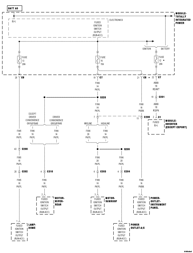
Circuit Schematic

Fig 1: Ignition RUN/ACC Control Circuit Schematic
GC0053363Courtesy of CHRYSLER LLC