LEMON Manuals: Even more car manuals for everyone: 1960-2025
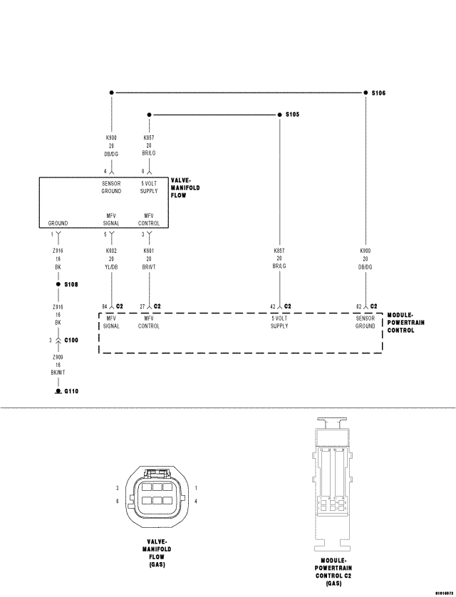
Home >> Dodge and Ram >> 2007 >> Caliber R/T, AWD >> Repair and Diagnosis >> Engine Performance >> System >> DTCS P2009 To P2116 >> P2009-Intake Manifold Runner (Swirl) Control Circuit Low >> Circuit Schematic
April 5, 2026: LEMON Manuals is launched! Read the announcement.

Circuit Schematic

Fig 1: Intake Manifold Runner (Swirl) Control Circuit Schematic
GC0053997Courtesy of CHRYSLER LLC