LEMON Manuals: Even more car manuals for everyone: 1960-2025
Home >> Dodge and Ram >> 2007 >> Caliber R/T, AWD >> Repair and Diagnosis >> Engine Performance >> System >> DTCS P2009 To P2116 >> P2112-Electronic Throttle Control - Unable To Open >> Circuit Schematic
April 5, 2026: LEMON Manuals is launched! Read the announcement.

Circuit Schematic

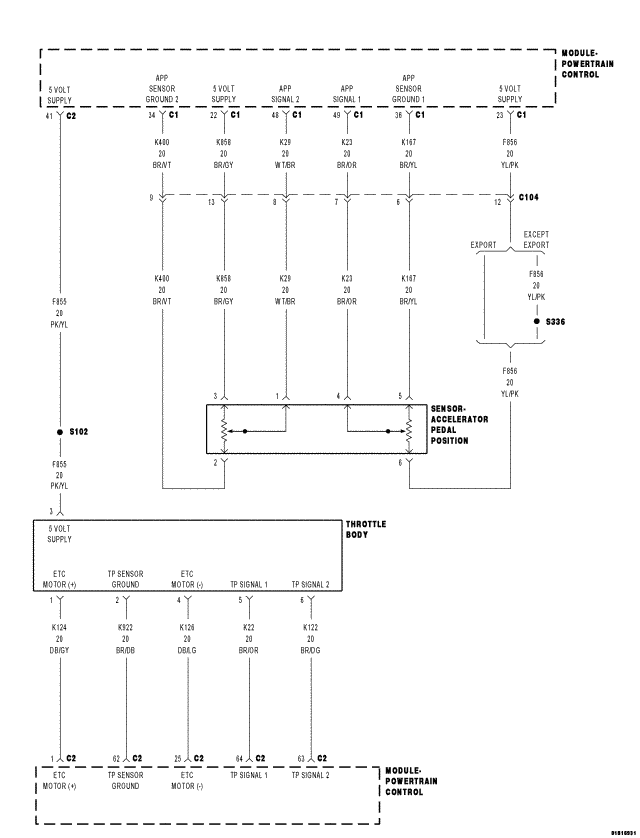
Fig 1: Throttle Position Sensor Circuit Schematic
GC0053885Courtesy of CHRYSLER LLC