LEMON Manuals: Even more car manuals for everyone: 1960-2025
Home >> Dodge and Ram >> 2007 >> Caliber SXT, 1.8 C >> Repair and Diagnosis >> Restraints >> Restraints Control Systems >> Restraints System (Service Information) >> Module-Occupant Classification >> Removal >> Module-Occupant Classification
April 5, 2026: LEMON Manuals is launched! Read the announcement.

Module-Occupant Classification

WARNING: The replacement Occupant Classification Module (OCM) is a non-calibrated unit when first installed. The OCM and all of the other components of the Occupant Classification System (OCS) including the passenger front seat, the seat weight sensors, the passenger or driver seat track position sensor and the seat adjusters, cushion, back, frame, foam, springs, and wiring harness are a factory-calibrated and assembled unit. Any time any one of these components is removed or replaced for any reason, the OCM must be re-calibrated using a diagnostic scan tool, the Occupant Classification Seat Weight special tool 9077, and the Occupant Classification System Verification Test. Refer to the appropriate diagnostic procedures.
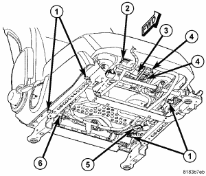
Fig 1: PASS SEAT COMP VIEW BOTTOM
GC0057040Courtesy of CHRYSLER LLC
  1. Disconnect and isolate the battery negative cable.
    WARNING: Wait two minutes for the airbag system reserve capacitor to discharge before beginning any airbag system or component service. Failure to do so may result in accidental airbag deployment, serious or fatal injury.
  2. Reach under the front edge of the passenger side front seat cushion to access and remove the two screws that secure the Occupant Classification Module (OCM) (3) to the underside of the passenger front seat cushion pan.
  3. Pull the OCM down far enough to access the module wiring connections (4).
  4. Disconnect the two electrical connectors (4) from the OCM (3).
  5. Remove the OCM (3) from under the passenger front seat.