LEMON Manuals: Even more car manuals for everyone: 1960-2025
Home >> Dodge and Ram >> 2007 >> Magnum R/T, AWD >> Repair and Diagnosis >> Engine Performance >> System >> Checking For Intermittent DTC, Component & System Checks, Symptom Tests >> *Checking The Oxygen Sensor Operation >> Notes
April 5, 2026: LEMON Manuals is launched! Read the announcement.

*Checking The Oxygen Sensor Operation: Notes

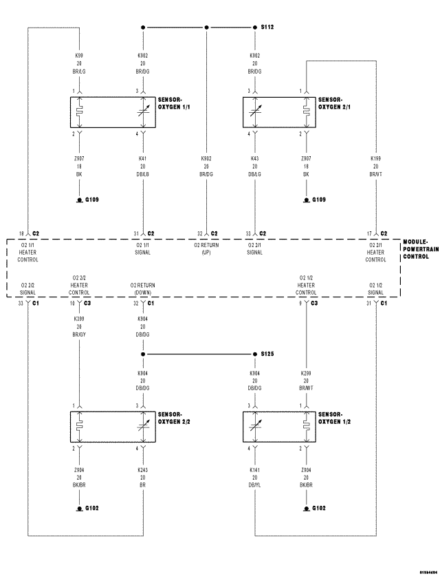
Fig 1: Oxygen Sensor Circuit Schematic
GC0052642Courtesy of CHRYSLER LLC

For complete wiring diagrams refer to:

SYSTEM WIRING DIAGRAMS for 300.

SYSTEM WIRING DIAGRAMS for Charger.

SYSTEM WIRING DIAGRAMS for Magnum.