LEMON Manuals: Even more car manuals for everyone: 1960-2025
Home >> Dodge and Ram >> 2007 >> Nitro R/T, AWD >> Repair and Diagnosis >> Restraints >> Restraints Control Systems >> Restraints System (Service Information) >> Restraints - Service Information >> Occupant Restraint Controller >> Removal >> Occupant Restraint Controller
April 5, 2026: LEMON Manuals is launched! Read the announcement.

Occupant Restraint Controller

WARNING: To avoid serious or fatal injury on vehicles equipped with side curtain airbags, disable the Supplemental Restraint System (SRS) before attempting any Occupant Restraint Controller (ORC) diagnosis or service. The ORC contains a rollover sensor, which enables the system to deploy the side airbags in the event of a vehicle rollover event. If an ORC is accidentally rolled during service while still connected to battery power, the side curtain airbags will deploy. Disconnect and isolate the battery negative (ground) cable, then wait two minutes for the system capacitor to discharge before performing further diagnosis or service. This is the only sure way to disable the SRS. Failure to take the proper precautions could result in accidental airbag deployment.
WARNING: To avoid serious or fatal injury on vehicles equipped with airbags, disable the Supplemental Restraint System (SRS) before attempting any steering wheel, steering column, airbag, Occupant Classification System (OCS), seat belt tensioner, impact sensor, or instrument panel component diagnosis or service. Disconnect and isolate the battery negative (ground) cable, then wait two minutes for the system capacitor to discharge before performing further diagnosis or service. This is the only sure way to disable the SRS. Failure to take the proper precautions could result in accidental airbag deployment.
WARNING: To avoid serious or fatal injury, never strike or drop the Occupant Restraint Controller (ORC), as it can damage the impact sensor or affect its calibration. The ORC contains the impact sensor, which enables the system to deploy the SRS components. If an ORC is accidentally dropped during service, the module must be scrapped and replaced with a new unit. Failure to observe this warning could result in accidental, incomplete, or improper SRS component deployment.
CAUTION: On vehicles equipped with the Occupant Classification System (OCS), never replace both the Occupant Restraint Controller (ORC) and the Occupant Classification Module (OCM) at the same time. If both require replacement, replace one. Then perform the Supplemental Restraint System (SRS) verification test before replacing the other. Both the ORC and the OCM store OCS calibration data, which they transfer to one another when one of them is replaced. If both are replaced at the same time, an irreversible fault will be set in both modules.
NOTE: The Occupant Restraint Controller (ORC) should only be removed as a complete unit with the molded plastic mounting bracket. The service replacement ORC is supplied already installed on a new bracket.
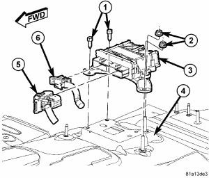
Fig 1: Identifying Screws, Nuts, Occupant Restraint Controller, ORC Mount, Body Wire Harness Connector & Instrument Panel Wire Harness Connector
GC0061911Courtesy of CHRYSLER LLC
  1. Disconnect and isolate the battery negative cable. Wait two minutes for the system capacitor to discharge before further service.
  2. Remove the center console from the top of the floor panel transmission tunnel. Refer to REMOVAL .
  3. Unlatch and disconnect the body wire harness connector (5) and the instrument panel wire harness connector (6) from the Occupant Restraint Controller (ORC) (3) connector receptacles located on the forward-facing side of the module. To disconnect the wire harness connectors from the ORC, depress the release tab and lift the lever arm on each connector.
  4. Remove the two nuts (2) that secure the left side of the ORC mounting bracket to the two studs on the ORC mount (4) welded onto the top of the floor panel transmission tunnel.
  5. Remove the two screws (1) that secure the right side of the ORC mounting bracket to the ORC mount.
  6. Remove the ORC and mounting bracket unit from the ORC mount.