LEMON Manuals: Even more car manuals for everyone: 1960-2025
Home >> Dodge and Ram >> 2008 >> Caliber L4-2.0L >> Repair and Diagnosis >> Powertrain Management >> Computers and Control Systems >> Fuel Level Sensor >> Description and Operation >> Fuel Pump Module - Description
April 5, 2026: LEMON Manuals is launched! Read the announcement.

Fuel Pump Module - Description




DESCRIPTION - FUEL PUMP MODULE







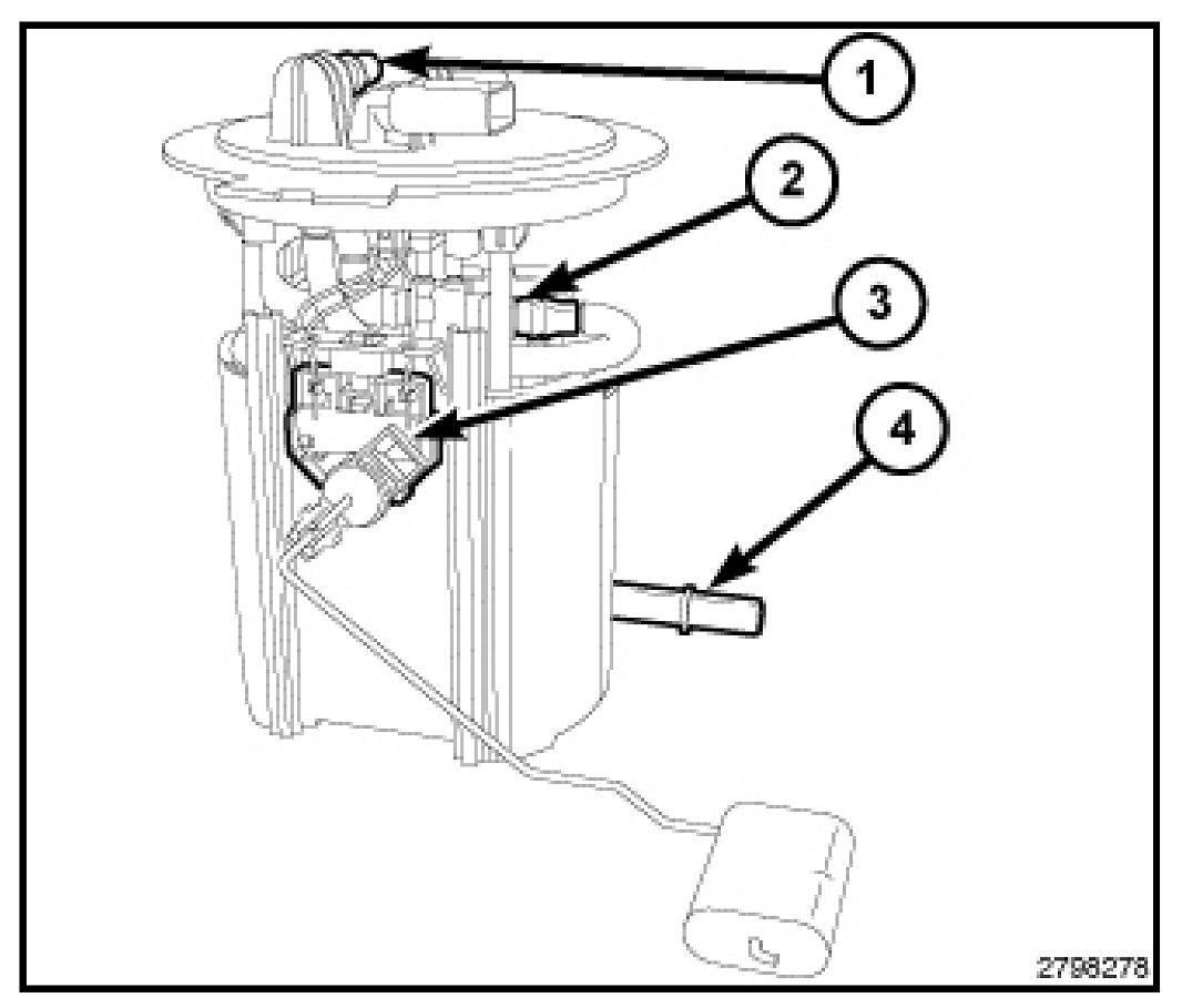
NOTE: Front Wheel Drive (FWD) fuel tank shown, All Wheel Drive (AWD) fuel tank similar.

On Front Wheel Drive (FWD) vehicles the fuel pump module is located on the top left side of the fuel tank. All Wheel Drive (AWD) vehicles have a saddle style fuel tank that has a reservoir on both sides ofthe driveshaft. The primary fuel pump module is located on the top left side of the fuel tank and the secondary fuel pump module is located on the top right side of the fuel tank.

Primary Fuel Pump Module







The primary fuel pump module is mounted on the top of the fuel tank and contains the following components:

- Mounting flange
- Electric fuel pump
- Venturi jet pump (AWD)
- Fuel pump reservoir
- Inlet strainer
- Fuel pressure regulator
- Fuel level sending unit
- Fuel filter

If equipped with All Wheel Drive (AWD), the primary fuel pump module will also contain a venturi jet pump. The primary fuel pump module is joined to the secondary fuel pump module (AWD) by an internal nylon fuel transfer line equipped with quick-connect fittings (4).

The fuel level sending unit (3) is the only serviceable component of the primary fuel pump module. If the electric fuel pump, fuel pressure regulator or fuel filter requires service, the primary fuel pump module must be replaced as an assembly.

Secondary Fuel Pump Module (AWD)







The secondary fuel pump module (AWD) is mounted on the top of the fuel tank and contains the following components:

- Mounting flange
- Fuel pick-up
- Fuel level sending unit

The secondary fuel pump module (AWD) does not pump fuel. It is joined to the primary fuel pump module by an internal nylon fuel transfer line (1) equipped with quick- connect fittings. Fuel is constantly being siphoned from the secondary side of the fuel tank to the primary side of the fuel tank whenever the fuel pump is operating.

The fuel level sending unit (2) on the secondary fuel pump module is not serviceable. If any component of the secondary fuel pump module requires service, the secondary fuel pump module must be replaced as an assembly.