LEMON Manuals: Even more car manuals for everyone: 1960-2025
Home >> Dodge and Ram >> 2008 >> Caliber L4-2.4L >> Repair and Diagnosis >> Application and ID >> Body Code Plate
April 5, 2026: LEMON Manuals is launched! Read the announcement.

Body Code Plate







DESCRIPTION

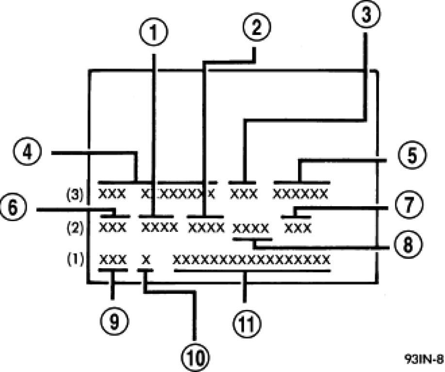
The Body Code Plate is located in the engine compartment on the plenum behind the right side strut tower. There are seven lines of information on the body code plate. Lines 4, 5, 6, and 7 are not used to define service information. Information reads from left to right, starting with line 3 in the center of the plate to line 1 at the bottom of the plate.









BODY CODE PLATE LINE 2

DIGITS 1, 2, AND 3

Paint procedure

DIGIT 4

Open Space

DIGITS 5 THROUGH 7

Primary paint

for Body Color Codes.

DIGIT 8 AND 9

Open Space

DIGITS 10 THROUGH 12

Secondary Paint

DIGIT 13 AND 14

Open Space

DIGITS 15 THROUGH 18

Interior Trim Code

DIGIT 19

Open Space

DIGITS 20, 21, AND 22

Engine Code

- EJD = 1.6L Four Cylinder 16 Valves SOHC Gasoline
- ECC = 2.0L Four Cylinder 16 Valves DOHC Gasoline
- EDJ = 2.2L Four Cylinder Turbo Diesel Engine
- EDZ = 2.4L Four Cylinder 16 Valves DOHC Gasoline
- EDV = 2.4L Four Cylinder 16 Valves DOHC H.O. Turbo Gasoline

DIGIT 23

Open Space

BODY CODE PLATE LINE 1

DIGITS 1, 2, AND 3

Transaxle Codes

- DGL = 41TE 4-Speed Electronic Automatic Transaxle
- DD5 = NV T350 5-Speed Manual Transaxle
- DDD = GETRAG 288 5-Speed Manual Transaxle

DIGIT 4

Open Space

DIGIT 5

Market Code

- C = Canada
- B = International
- M = Mexico
- U = United States

DIGIT 6

Open Space

DIGITS 7 THROUGH 23

Vehicle Identification Number

- Vehicle Identification Number for proper breakdown of VIN code.

IF TWO BODY CODE PLATES ARE REQUIRED

The last code shown on either plate will be followed by END. When two plates are required, the last code space on the first plate will indicate (CTD)

When a second plate is required, the first four spaces of each line will not be used due to overlap of the plates.