LEMON Manuals: Even more car manuals for everyone: 1960-2025
Home >> Dodge and Ram >> 2008 >> Caliber R/T, AWD >> Repair and Diagnosis >> Engine Performance >> System >> Intermittent Condition, System Checks, Component Checks, Tests, Pcm Verification Test, Pcm/ECM Programming - Gas, Pre- Diagnostic Troubleshooting Procedure >> *Checking The Ignition Coil Operation >> Notes
April 5, 2026: LEMON Manuals is launched! Read the announcement.

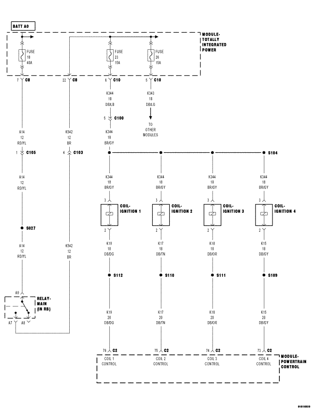
*Checking The Ignition Coil Operation: Notes

Fig 1: Ignition Coil Circuit Schematic
GC0053907Courtesy of CHRYSLER LLC

For complete wiring diagrams refer to SYSTEM WIRING DIAGRAMS .