LEMON Manuals: Even more car manuals for everyone: 1960-2025
Home >> Dodge and Ram >> 2008 >> Challenger >> Repair and Diagnosis (Single Page) >> Engine Performance >> System >> DTCS P000B To P0175 >> Diagnosis And Testing >> P0157-O2 Sensor 2/2 Circuit Low >> Notes
April 5, 2026: LEMON Manuals is launched! Read the announcement.

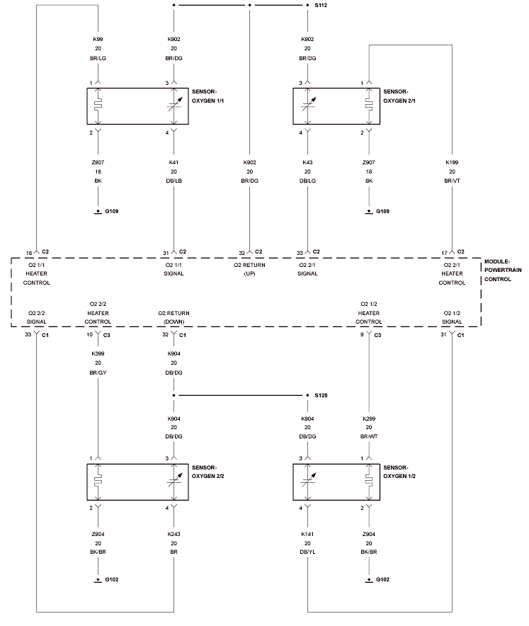
P0157-O2 Sensor 2/2 Circuit Low: Notes

Fig 1: O2 Sensor Circuit Wiring Diagram
GC0097678Courtesy of CHRYSLER GROUP, LLC

For a complete wiring diagram, refer to appropriate SYSTEM WIRING DIAGRAMS article  .