LEMON Manuals: Even more car manuals for everyone: 1960-2025
Home >> Dodge and Ram >> 2008 >> Challenger >> Repair and Diagnosis >> Steering >> Power Steering >> Steering System >> Column >> Installation >> Installation
April 5, 2026: LEMON Manuals is launched! Read the announcement.

Steering System: Column: Installation: Installation

WARNING:

Before servicing the steering column the airbag system must be disarmed. Refer to RESTRAINTS - SERVICE INFORMATION for service procedures. Failure to do so may result in accidental deployment of the airbag and possible personal injury.

CAUTION:

When handling the steering column use care to avoid holding the column by any part of the tilt/telescope mechanism or by the shaft boot. The column should be held by its mounting bracket and the shaft by the exposed portions.

CAUTION:

All fasteners must be torqued to specification to ensure proper operation of the steering column.

NOTE:

New bolts must be used for installation.

Fig 1: Upper Column Mounting Bolts
GC0080515Courtesy of CHRYSLER GROUP, LLC
  1. Position the steering column (2) on the instrument panel and loosely install the upper mounting screws (1).
    Fig 2: Pivot Bolt & Nut
    GC0080514Courtesy of CHRYSLER GROUP, LLC
  2. Firmly slide the steering column upward against the instrument panel and loosely install the pivot bolt and nut (2).
    Fig 3: Upper Column Mounting Bolts
    GC0080515Courtesy of CHRYSLER GROUP, LLC
  3. Tighten the steering column upper mounting screws (1) to 30 N.m (22 ft. lbs.).
    Fig 4: Pivot Bolt & Nut
    GC0080514Courtesy of CHRYSLER GROUP, LLC
  4. Tighten the pivot bolt (2) to 30 N.m (22 ft. lbs.).
    Fig 5: Shaft Retaining Nuts
    GC0080512Courtesy of CHRYSLER GROUP, LLC
    CAUTION:

    When handling the steering column, care must be taken not to squeeze the boot or distort the seal to the body.

  5. Center the boot for the steering column at the bulkhead (2). Install and tighten the two mounting nuts (1) to 7 N.m (62 in. lbs.).
  6. Raise and support vehicle.
    Fig 6: Installing Boot Over Shaft Collar
    GC0080522Courtesy of CHRYSLER GROUP, LLC
  7. Check and make sure plastic collar (2) on column shaft is engaged in groove within boot (1).
    Fig 7: Shaft Retaining Nuts
    GC0080512Courtesy of CHRYSLER GROUP, LLC
  8. Align the pin on the steering shaft with the nut in the lower coupling shaft and slide the steering shaft (3) into the lower coupling (5).
  9. Install a NEW  pinch bolt (4). Tighten pinch bolt to 31 N.m (23 ft. lbs.).
  10. Install the steering column wiring harness connector into the holder on the steering column. Make sure the connector is captured in the holder.
  11. Install the instrument cluster. Refer to INSTALLATION .
    Fig 8: Roll Top Shroud
    GC0080511Courtesy of CHRYSLER GROUP, LLC
  12. Position the roll top shroud (1) and install the three mounting screws.
    Fig 9: Latch Tilt Lever To Column
    GC0080523Courtesy of CHRYSLER GROUP, LLC
  13. Position the manual adjustment handle (2) over the column adjustment pin and rotate the locking tab (3) rearward as shown in illustration latching the handle to the column. Make sure the tab snaps into locked position.
    Fig 10: Steering Column Control Module, Connector & Screw
    GC0080205Courtesy of CHRYSLER GROUP, LLC
  14. Install the SCCM assembly (1) onto the steering column.
    Fig 11: Access Hole & Set Screw
    GC0080251Courtesy of CHRYSLER GROUP, LLC
  15. Tighten the set screw (1) securing the SCCM assembly (2).
    Fig 12: Clockspring Screws
    GC0080203Courtesy of CHRYSLER GROUP, LLC
  16. Tighten clockspring screw(s) (1) that were backed out to keep the clockspring from unwinding.
    Fig 13: Instrument Panel Steering Column Cover Reinforcement & Bracket
    GC0080510Courtesy of CHRYSLER GROUP, LLC
  17. Install the steering column opening reinforcement (1).
  18. Install the steering column opening cover. Refer to COVER, STEERING COLUMN OPENING, INSTALLATION .
    Fig 14: Steering Wheel & Retainer Bolt
    GC0080250Courtesy of CHRYSLER GROUP, LLC
  19. Align the spline on the steering wheel hub to shaft.
  20. Install the steering wheel (1) and install a NEW  retainer bolt (2). Tighten the bolt to 70 N.m (52 ft. lbs.).
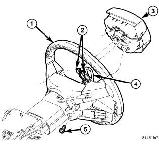
    Fig 15: Driver Airbag, Connectors & Screws
    GC0080186Courtesy of CHRYSLER GROUP, LLC
  21. Install the driver air bag (3). Refer to AIR BAG, DRIVER, INSTALLATION .
  22. Install the negative battery terminal on the battery. It is important that this is performed properly (including calibration of steering angle sensor if equipped with ESP). Refer to STANDARD PROCEDURE .
    CAUTION:

    If the steering wheel is excessively off-center while driving, outside of Chassis specifications, inadvertent ESP activations may occur on a vehicle so equipped.

  23. Test the operation of the horn, lights and any other functions that are steering-column operated.