LEMON Manuals: Even more car manuals for everyone: 1960-2025
Home >> Dodge and Ram >> 2008 >> Magnum Base >> Repair and Diagnosis >> Engine Performance >> System >> Engine Controls - Troubleshooting Procedures & Tests >> *Checking The Charging System Operation >> Notes
April 5, 2026: LEMON Manuals is launched! Read the announcement.

*Checking The Charging System Operation: Notes

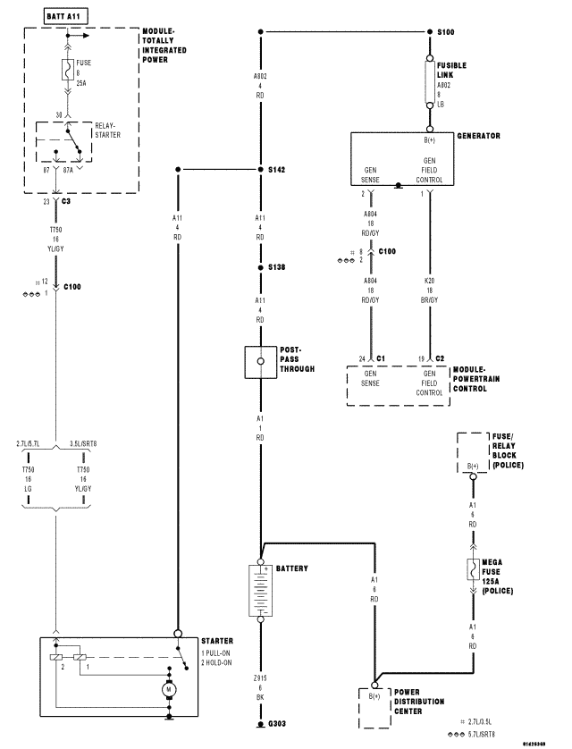
Fig 1: Powertrain Control Module Circuit Schematic
GC0070356Courtesy of CHRYSLER LLC

For complete wiring diagrams refer to:

SYSTEM WIRING DIAGRAMS for 300.

SYSTEM WIRING DIAGRAMS for Charger.

SYSTEM WIRING DIAGRAMS for Magnum.