LEMON Manuals: Even more car manuals for everyone: 1960-2025
Home >> Dodge and Ram >> 2008 >> Magnum Base >> Repair and Diagnosis >> Engine Performance >> System >> Engine Controls - Troubleshooting Procedures & Tests >> *Checking The Engine Coolant Temperature Sensor Operation >> Notes
April 5, 2026: LEMON Manuals is launched! Read the announcement.

*Checking The Engine Coolant Temperature Sensor Operation: Notes

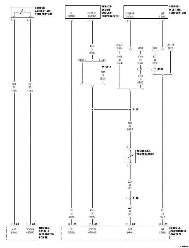
Fig 1: Sensors Circuit Schematic
GC0070345Courtesy of CHRYSLER LLC

For complete wiring diagrams refer to:

SYSTEM WIRING DIAGRAMS for 300.

SYSTEM WIRING DIAGRAMS for Charger.

SYSTEM WIRING DIAGRAMS for Magnum.