LEMON Manuals: Even more car manuals for everyone: 1960-2025
Home >> Dodge and Ram >> 2008 >> Magnum Base >> Repair and Diagnosis >> Steering >> Steering Column >> Steering System >> Column Electrical Diagnosis >> Diagnosis And Testing >> B1D8D-Steering Column Telescope Position Sensor Circuit Low >> Notes
April 5, 2026: LEMON Manuals is launched! Read the announcement.

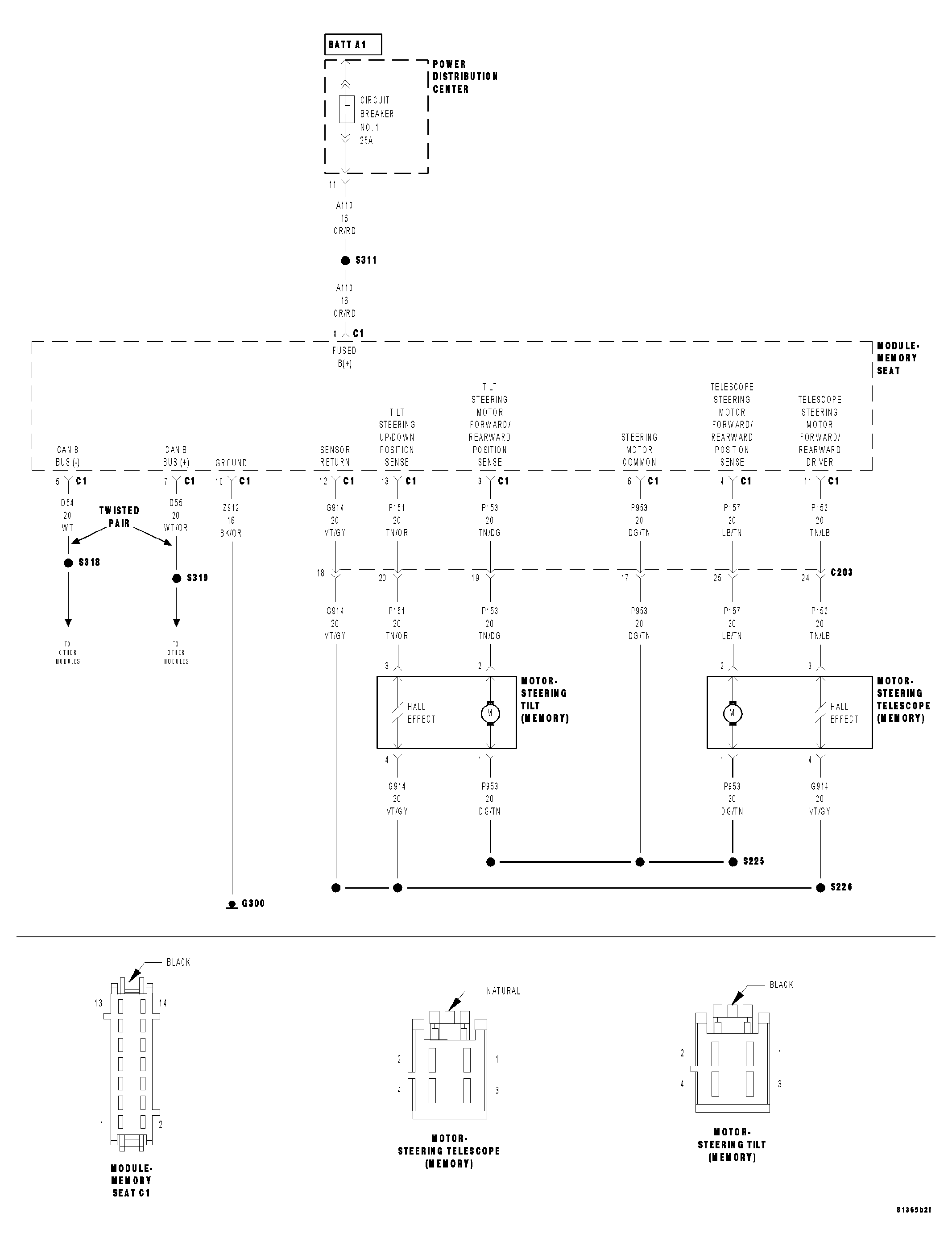
B1D8D-Steering Column Telescope Position Sensor Circuit Low: Notes

Fig 1: Steering Motor Circuit
GC0013173Courtesy of CHRYSLER LLC