LEMON Manuals: Even more car manuals for everyone: 1960-2025
Home >> Dodge and Ram >> 2008 >> Nitro SLT, 4WD >> Repair and Diagnosis >> Engine Performance >> System >> DTCS P2314 To U1418, System Checks, O2 Sensor Check, Checking Pcm Power And Ground Circuits, Engine Cranks But No Start >> P2504-Charging System Output High >> Circuit Schematic
April 5, 2026: LEMON Manuals is launched! Read the announcement.

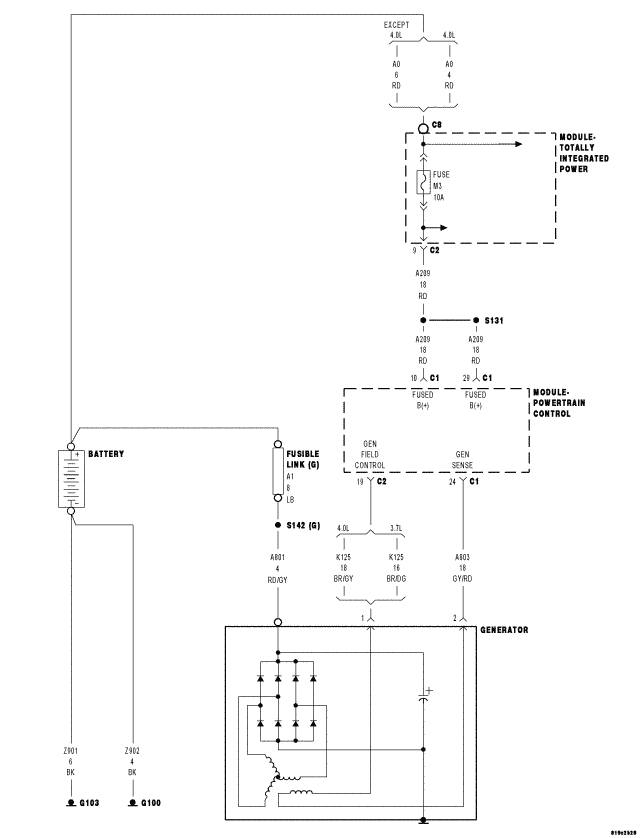
Circuit Schematic

Fig 1: Charging System Circuit Schematic
GC0062158Courtesy of CHRYSLER LLC