LEMON Manuals: Even more car manuals for everyone: 1960-2025
Home >> Dodge and Ram >> 2008 >> Sprinter 3500, Van Cargo >> Repair and Diagnosis >> Engine Performance >> System >> Gas - Checking Map Sensor Operation >> Checking The Map Sensor Performance >> Notes
April 5, 2026: LEMON Manuals is launched! Read the announcement.

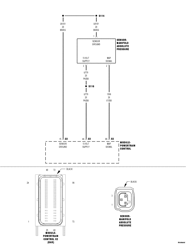
Checking The Map Sensor Performance: Notes

Fig 1: MAP Sensor Circuit Schematic
GC0066131Courtesy of CHRYSLER LLC

For complete wiring diagrams, refer to SYSTEM WIRING DIAGRAMS article.