LEMON Manuals: Even more car manuals for everyone: 1960-2025
Home >> Dodge and Ram >> 2009 >> Caliber L4-2.4L >> Repair and Diagnosis >> Relays and Modules >> Relays and Modules - Restraints and Safety Systems >> Air Bag Control Module >> Service and Repair >> Occupant Restraint Controller - Removal
April 5, 2026: LEMON Manuals is launched! Read the announcement.

Occupant Restraint Controller - Removal






REMOVAL

WARNING: To avoid serious or fatal injury on vehicles equipped with side curtain or seat airbags, disable the Supplemental Restraint System (SRS) before attempting any Occupant Restraint Controller (ORC) diagnosis or service. The ORC contains a rollover sensor, which enables the system to deploy the side curtain and seat airbags in the event of a vehicle rollover event. If an ORC is accidentally rolled during service while still connected to battery power, the side curtain and seat airbags will deploy. Disconnect and isolate the battery negative (ground) cable, then wait two minutes for the system capacitor to discharge before performing further diagnosis or service. This is the only sure way to disable the SRS. Failure to take the proper precautions could result in accidental airbag deployment.

WARNING: To avoid serious or fatal injury on vehicles equipped with airbags, disable the Supplemental Restraint System (SRS) before attempting any steering wheel, steering column, airbag, seat belt tensioner, impact sensor, or instrument panel component diagnosis or service. Disconnect and isolate the battery negative (ground) cable, then wait two minutes for the system capacitor to discharge before performing further diagnosis or service. This is the only sure way to disable the SRS. Failure to take the proper precautions could result in accidental airbag deployment.

WARNING: To avoid serious or fatal injury, never strike or drop the Occupant Restraint Controller (ORC), as it can damage the impact sensor or affect its calibration. The ORC contains the impact sensor, which enables the system to deploy the SRS components. If an ORC is accidentally dropped during service, the module must be scrapped and replaced with a new unit. Failure to observe this warning could result in accidental, incomplete, or improper SRS component deployment.

NOTE: Several different Occupant Restraint Controllers (ORC) are available for this vehicle. For vehicles equipped with the optional side curtain or seat airbags the ORC contains a second bi-directional safing sensor.





1. Disconnect and isolate the battery negative cable. Wait two minutes for the system capacitor to discharge before further service.
2. Remove the center console shifter bezel and pod from the top of the floor panel transmission tunnel. Shifter Bezel - Removal.
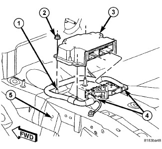
3. Lift, but do not remove, the jute covered panel (1) over the Occupant Restraint Controller (ORC) (2) between the dash panel and the gearshift mechanism as necessary to access the ORC connections and fasteners.





4. Remove the three nuts (2) that secure the ORC (3) to the three studs (1) on the ORC mount welded onto the top of the floor panel transmission tunnel (5).
5. Unlatch and disconnect the two instrument panel wire harness connectors (4) from the ORC connector receptacles located on the rearward facing side of the module. To disconnect the wire harness connectors from the ORC, depress the release tab and lift the lever arm on each connector.
6. Remove the ORC from the ORC mount.