LEMON Manuals: Even more car manuals for everyone: 1960-2025
Home >> Dodge and Ram >> 2009 >> Challenger V6-3.5L >> Repair and Diagnosis >> Powertrain Management >> Transmission Control Systems >> Relays and Modules - Transmission and Drivetrain >> Relays and Modules - A/T >> Control Module >> Locations
April 5, 2026: LEMON Manuals is launched! Read the announcement.

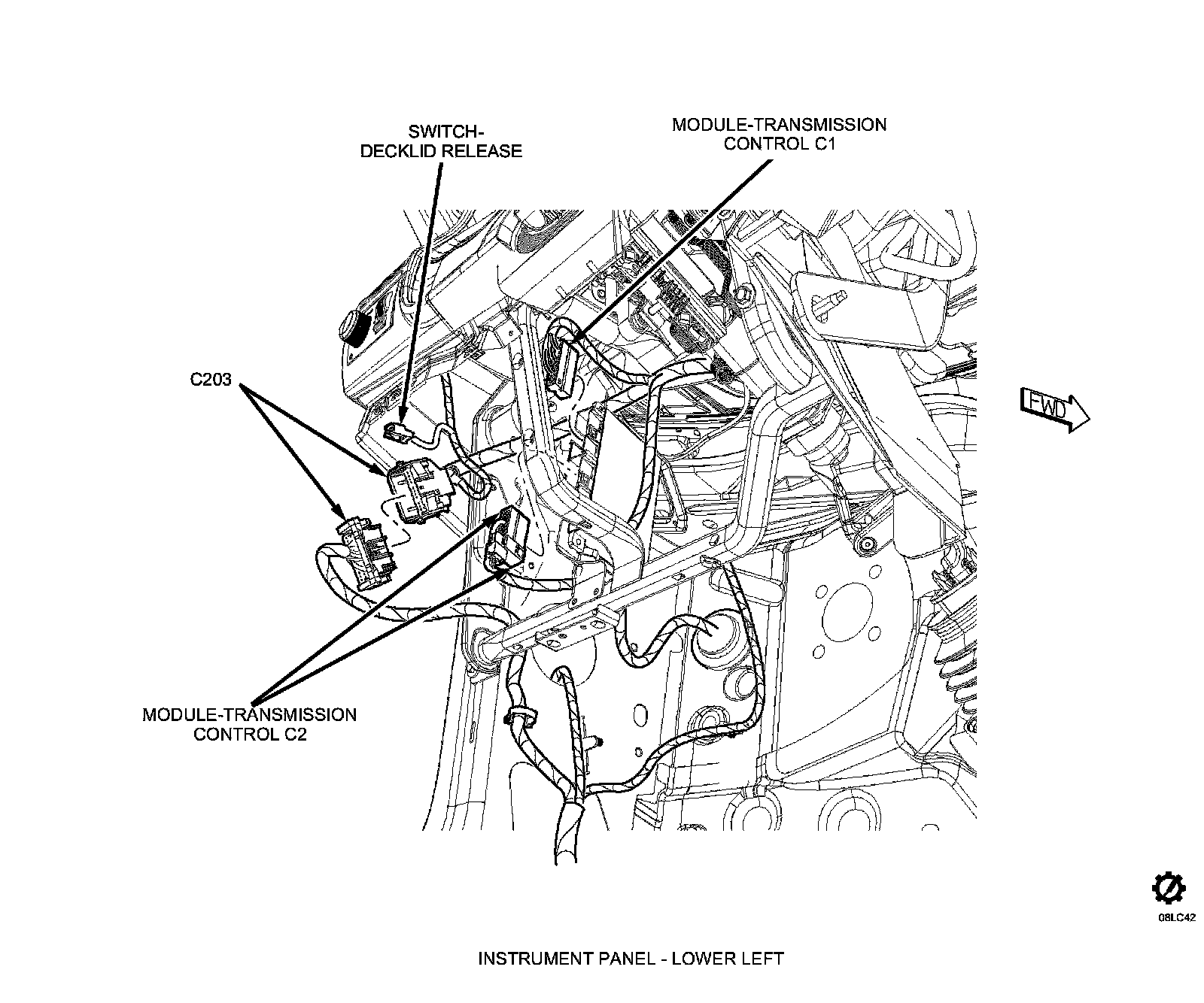
Control Module: Locations