LEMON Manuals: Even more car manuals for everyone: 1960-2025
Home >> Dodge and Ram >> 2009 >> Charger R/T, 4WD >> Repair and Diagnosis >> Accessories & Equipment >> Memory Modules >> Memory Seat Module (MSMD) - Electrical Diagnostics >> DTC Troubleshooting >> B1D92-Steering Column Tilt Position Sensor Circuit High >> Circuit Schematic
April 5, 2026: LEMON Manuals is launched! Read the announcement.

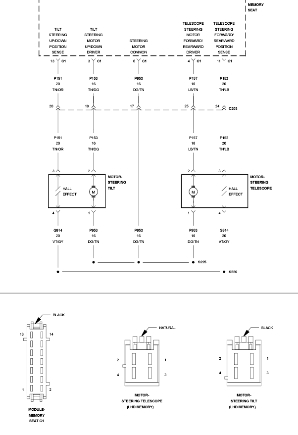
Circuit Schematic

Fig 1: Steering Column Telescope Position Sensor Circuit - Circuit Schematic
GC0097056Courtesy of CHRYSLER LLC