LEMON Manuals: Even more car manuals for everyone: 1960-2025
Home >> Dodge and Ram >> 2009 >> Durango 2WD V6-3.7L >> Repair and Diagnosis >> Relays and Modules >> Relays and Modules - Powertrain Management >> Relays and Modules - Computers and Control Systems >> Body Control Module >> Service and Repair >> Gateway Module - Removal
April 5, 2026: LEMON Manuals is launched! Read the announcement.

Gateway Module - Removal






REMOVAL





1. Disconnect and isolate the battery negative cable. A technician trained in proper Hybrid Electric Vehicle (HEV) service safety procedures must also remove the high voltage service disconnect from the high voltage battery pack. Wait two minutes for the system capacitors to discharge before further service.
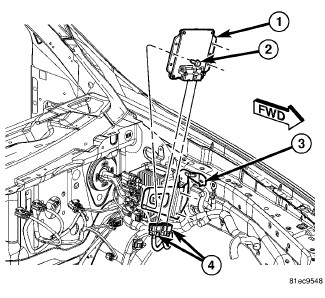
2. Unlatch and remove the Power Distribution Center (PDC) from the PDC mounting bracket on the left hydro form (frame rail) over the left front wheel house in the engine compartment. Move the PDC forward far enough to access the Hybrid Gateway Module (HGM) (1).
3. Remove the three screws (2) that secure the HGM to the Transmission Auxiliary Oil Pump (TAOP) control module mounting bracket (3) that is secured to the left hydro form near the back of the left front wheel house.
4. Disconnect the two headlamp and dash wire harness connectors (4) from the HGM connector receptacles located on the forward facing side of the module.
5. Remove the HGM from the vehicle.