LEMON Manuals: Even more car manuals for everyone: 1960-2025
Home >> Dodge and Ram >> 2009 >> Durango Base, 3.7 K >> Repair and Diagnosis >> External Pages >> Different variant/trim >> Section 14 (Powertrain Control Module (Pcm) - Electrical Diagnostics - 545RFE) >> DTC Troubleshooting >> P0883-TCM Power Input High >> Circuit Schematic
April 5, 2026: LEMON Manuals is launched! Read the announcement.

Circuit Schematic

WARNING: This page is about a different variant/trim than selected.
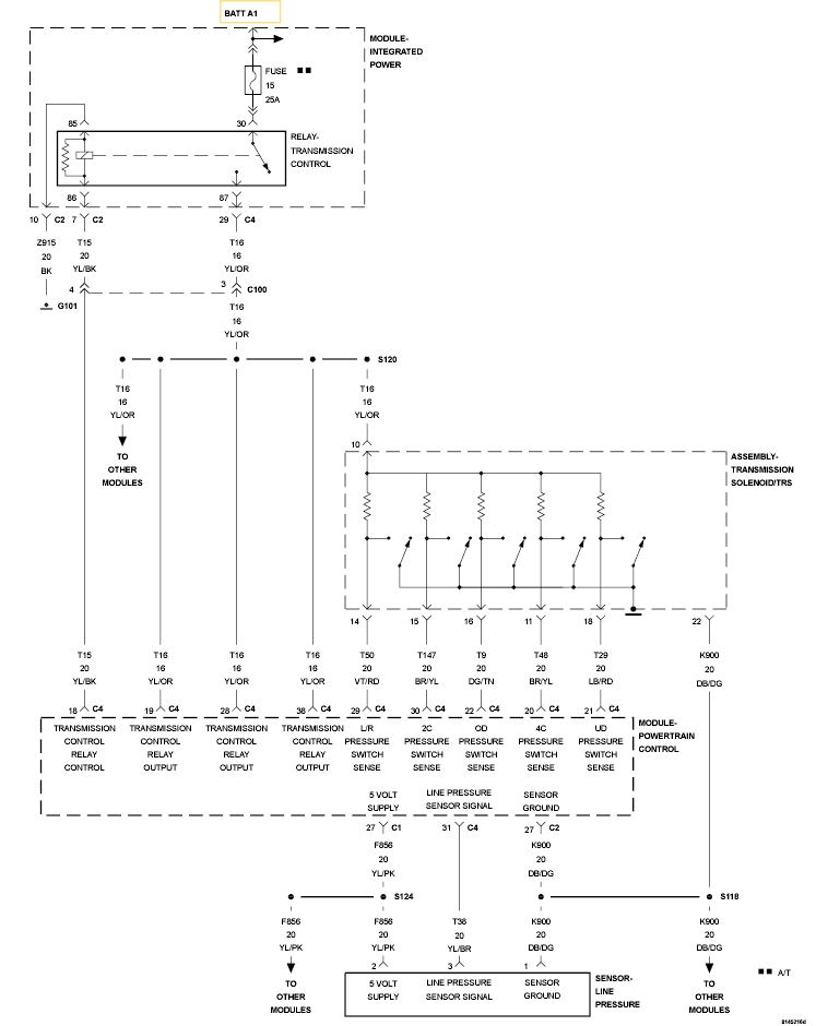
Fig 1: Pressure Switch Sense & Transmission Control Relay Output Circuit Schematic
GC0106920Courtesy of CHRYSLER LLC