LEMON Manuals: Even more car manuals for everyone: 1960-2025
Home >> Dodge and Ram >> 2009 >> Durango Base, 4.7 P, 4WD >> Repair and Diagnosis >> Accessories & Equipment >> Memory Modules >> (Front Control Module (FCM) - Electrical Diagnostics) >> DTC Troubleshooting >> B2337-Horn Control Circuit High >> Wiring Diagram
April 5, 2026: LEMON Manuals is launched! Read the announcement.

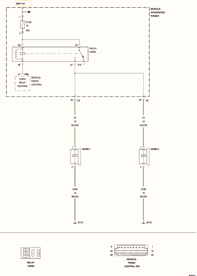
B2337-Horn Control Circuit High: Wiring Diagram

Fig 1: Horn Control Circuit
GC0106241Courtesy of CHRYSLER LLC

For complete wiring diagrams, refer to SYSTEM WIRING DIAGRAMS .